Ka中波段win7驅動拖動器HMC-AUH256/HMC-AUH256-SX ADI現貨平臺經銷商
上線事件:2018-12-03 11:18:50 網頁(ye)瀏覽:2134
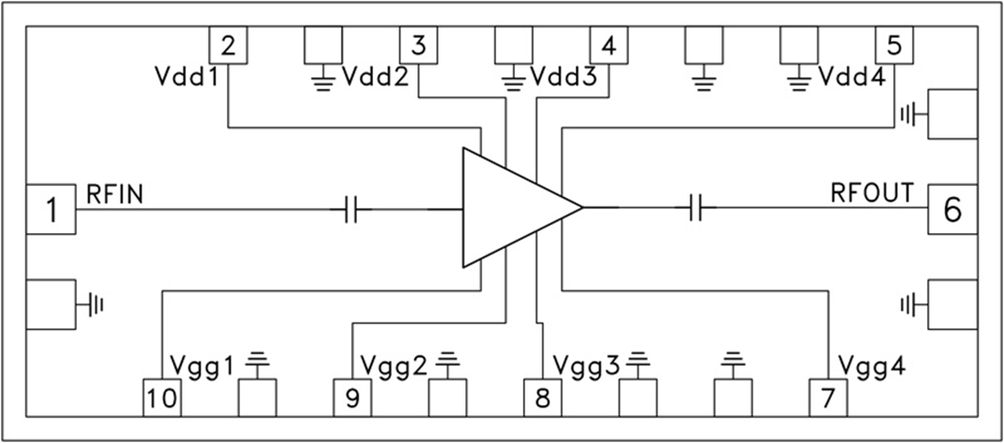
HMC-AUH256就是款Ka光波GaAs MMIC HEMT英語四級推動變成器,本職工作任務速率空間17.5至41 GHz。 鑒于圖片尺寸較小(1.93 mm2),該心片可簡單融合到多心片引擎(MCM)中。 HMC-AUH256在1 dB縮小點提供數據21 dB的收獲和+20 dBm的輸出的耗油率,采用+5V的偏置電源線(295 mA)。 HMC-AUH256還可作倍頻器。 達到倍頻器本職工作任務的詳細介紹偏置狀態。
|
品牌
|
型號
|
貨期
|
庫存
|
|
ADI
|
HMC-AUH256
HMC-AUH256-SX
|
1周
|
200
|
|
如若您需要購買HMC-AUH256/HMC-AUH256-SX,請點擊右側客服聯系我們!!!
|
應用軟件(jian)
優勢和特點
-
增益: 21 dB
-
P1dB輸出功率: +20 dBm
-
寬帶性能:
17.5至41 GHz
-
電源電壓:
+5V (295 mA)
-
小尺寸芯片:
2.1 x 0.92 x 0.1 mm
結構類(lei)型圖(tu)
