HMC7885FH18單存儲芯片微波射頻一體化電路板(MMIC)額定功率變大器(PA)模快 ADI外盤代商
公布的事件(jian):2018-06-19 16:42:54 訪問(wen) :2501
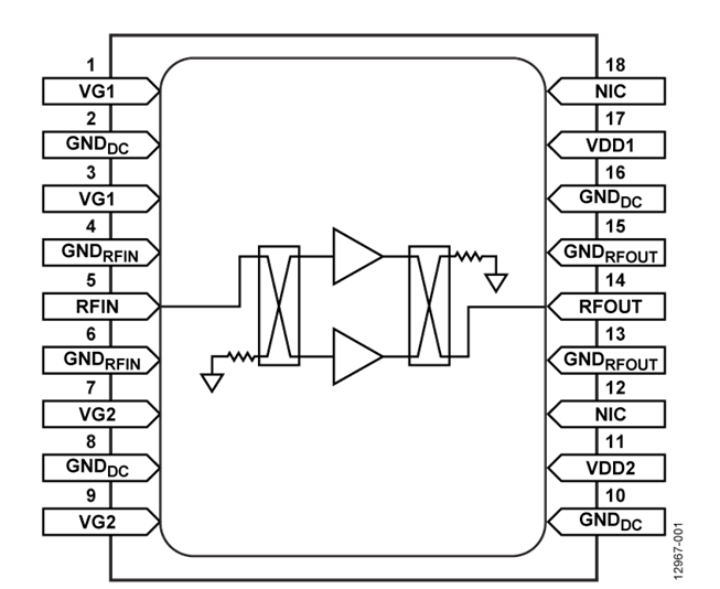
HMC7885FH18是一種款32 W氮化鎵(GaN)、單處理芯片徽波集成式電路系統(MMIC)效率圖像電壓調大器(PA)功能,工作的頻率區域為2 GHz至6 GHz,展示 18引腳膠封功能裝封。該圖像電壓調大器通常情況下展示 21 dB小衛星信號增益控制和45 dBm達到飽和狀態頻射(RF)內容輸出電壓效率。該圖像電壓調大器分為28 V直流電電源模塊的冗余額定功率(IDD)為2200 mA。隔直RF鍵入和內容輸出電壓適配至50 ?,使用的以便于。
|
品牌
|
型號
|
描述
|
貨期
|
庫存
|
|
ADI
|
HMC7885FH18
|
2 GHz至6 GHz,45 dBm功率放大器
|
現貨
|
78
|
HMC7885FH18應用
-
測試與測量設備
-
通信
-
電子戰(EW)
-
軍事
-
行波管(TWT)替換產品
-
SATCOM
HMC7885FH18優勢和特點
-
2 GHz至6 GHz
-
小信號增益:21 dB(典型值)
-
飽和RF輸出功率:45 dBm(典型值,POUT)
-
18引腳、密封模塊
-
工作溫度范圍為-30°C至+60°C
HMC7885FH18結構圖
