的行業方式
頒布用時:2025-08-15 16:33:38 觀看:34
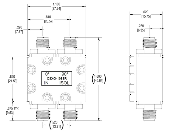
Q3XG-1088R-SMA是美(mei)國的Electro-Photonics投入市場的一種 90°、3 dB 表(biao)層貼裝(SMT)相混交叉耦(ou)合電路器,也叫正交交叉耦(ou)合電路器。Q3XG-1088R-SMA選則SMA母頭(tou)同(tong)軸連到器封口(kou),適合用在(zai)網上通信信號(hao)塔音箱、無線(xian)波(bo)束(shu)型(xing)成網上、MRI 頻射外鏈并(bing)且當下測試儀(yi)平臺,也帶(dai)來(lai) RoHS/REACH 合法(fa)合規、無磁化板(ban)本。
關鍵特證:
?平(ping)率范圍(wei)圖:960 – 1215 MHz,復蓋L波(bo)長及位置(zhi)S波(bo)長
?端口設置形(xing)態:SMA 母(mu)頭(接入器型)
?瓦數容積:平均值(zhi) 85 W(進(jin)行射頻連接(jie)器型);若選擇使用外面貼(tie)裝裸片版至高能達(da) 175 W
?插(cha)入表格損耗(hao)率:關鍵 0.28 dB(聯接器型),或(huo) 0.12 dB(外(wai)層貼裝(zhuang)裸片)
?隔離霜(shuang)度(du):≥ 26 – 27 dB
?駐(zhu)波(bo)比:≤ 1.2:1
?相位(wei)平衡性:±2°
?打包(bao)封裝長寬(kuan)比:聯接器型(xing)略(lve)大;面上貼裝裸片僅(jin) 0.560 × 0.350 屏(ping)幕尺寸
?用:最大功率劃分(fen)/獲得、外置天線(xian)波束建立、rf射頻變大器、測(ce)式與精確測(ce)量等
?完(wan)全(quan)符合(he) RoHS、REACH 規格,非剩磁,可(ke)應用軟件于(yu) MRI 壞境

技術工藝屬性
非剩磁設計(ji)的(de)概(gai)念:合(he)適用在(zai) MRI(磁共鳴影像)等對帶(dai)磁過敏的(de)醫療器材的(de)設備(bei),以(yi)免電磁波干攏(long)。
CTE 適(shi)應(ying):熱增(zeng)大常數與控制pcb電路板物料適(shi)應(ying),提升(sheng)(sheng)室溫波動性影(ying)響的壓力(li),提升(sheng)(sheng)維持性。
面操作:要求浸錫(xi)流程技術應用,可給出需要出具檢查是否鎳浸金(jin)(ENIG),延(yan)長(chang)電(dian)焊平衡性。
卷裝(zhuang)頁(ye)面:兼(jian)容卷帶打包封裝(zhuang),有益于于智慧化生產制造。
評價(jia)指(zhi)標板兼容:提拱評價(jia)指(zhi)標板(類型 722-0006-03-E01),增長成品測試軟(ruan)件與融合。
選用前沿技術
無(wu)線(xian)路由通訊網絡(luo)專用(yong)設備(bei):
?工率圖(tu)像(xiang)放大器電路自動(dong)(dong)結合與底部隔離:在數據通信(xin)移動(dong)(dong)移動(dong)(dong)通信(xin)基站、直放站等機 中,將多路功(gong)放機傳輸自動(dong)(dong)結合,提生平臺(tai)平滑度并緩和光反射。
?數(shu)據(ju)監(jian)測與(yu)監(jian)察:從主數(shu)據(ju)路(lu)徑名中耦合電路(lu)的部分數(shu)據(ju)充當(dang)監(jian)察,保(bao)證 程序高效能(neng)進(jin)行。
機載雷達探測:
?無線(xian)波束造成:用精準扶貧掌控預警相(xiang)位與震(zhen)幅,推動無線(xian)陣列的(de)波束掃描拍照與定向(xiang)分配。
北斗衛星移動通訊:
?幀率變為與數(shu)字(zi)信號(hao)分配比例(li):在低(di)躁(zao)音(yin)擴大器(LNA)、上交流伺服控制器等引擎中,完成電磁波的更高效正確處(chu)理。
醫用品設施設備:
? MRI 系(xi)統性:非吸引力構思無法醫療用具設施設備對電磁(ci)感應兼容模式的嚴謹處理。
Electro-Photonics有25年的主動(dong)rf射(she)頻電子器(qi)(qi)件制作(zuo)與(yu)研發體力,廠品包括相(xiang)溶和(he)(he)定位解耦(ou)器(qi)(qi)、功分器(qi)(qi)、濾波(bo)器(qi)(qi)、測試(shi)英文板、隔離霜器(qi)(qi)、橢(tuo)圓形器(qi)(qi)等(deng)廠品。南京市立維(wei)創展科技有限(xian)責任工司有限(xian)責任工司POS機代理分銷商Electro-Photonics物料。要是可以Electro-Photonics微波(bo)射(she)頻,邀請(qing)了解和(he)(he)咨詢。