產業資迅
上線期限:2025-08-14 16:37:51 瀏覽器(qi):33
AT32F421F8P7是雅(ya)特力新材料技術(shu)開發的(de)(de)哪款(kuan)通過 ARM? Cortex?-M4 內核(he)的(de)(de) 32 位微把控好(hao)器,擁有(you)高機械性能(neng)、低耗用(yong)(yong)、層次性化(hua)的(de)(de)外設(she)表(biao)層和(he)較高的(de)(de)性價比(bi)算(suan)是,主要的(de)(de)廣泛用(yong)(yong)于自(zi)功(gong)化(hua)化(hua)家居裝修(xiu)、工(gong)業控制(zhi)自(zi)功(gong)化(hua)、人(ren)工(gong)控制(zhi)自(zi)功(gong)化(hua)、小型無人(ren)機對戰機、才智公(gong)共(gong)交通、自(zi)功(gong)化(hua)醫藥等不同應用(yong)(yong)軟件前沿技術(shu)。
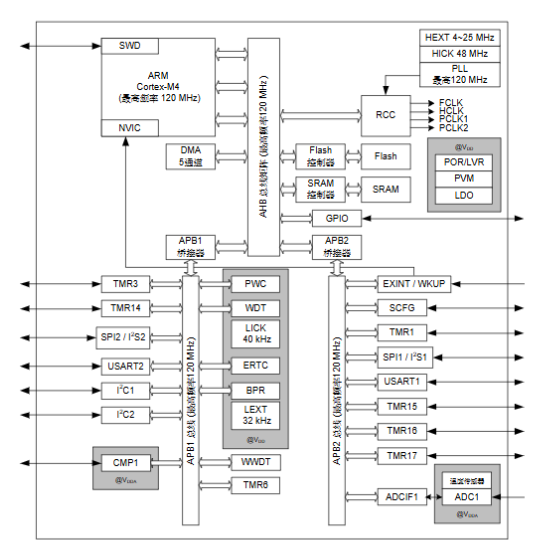
1. 內核與主頻
ARM Cortex-M4(帶 DSP + FPU),極限 120 MHz 。
2. 儲存器
? Flash:64 KB
? SRAM:16 KB 。
3. 芯(xin)片封裝與引腳
TSSOP-20,共 15 個 GPIO,均可頂住 5 V 投(tou)入。

4. 包括外設
? 1 組 12-bit ADC(15 區域,2 Msps)
? 1 個一級 16-bit TIM(7 通暢 PWM,帶死(si)區掌控)
? 5 個實(shi)用 16-bit TIM
? 通訊插孔:2×I2C、2×SPI/I2S、2×USART、紅(hong)外(wai)線放射(she)器
? 5 管道 DMA 。
5. 秒表與電(dian)壓(ya)
?固定電流 2.4 V – 3.6 V
?片上繞城高(gao)速 48 MHz RC、PLL 倍(bei)頻可高(gao)達 120 MHz
?兼容(rong)淺(qian)睡眠/深睡覺/待機低能效(xiao)等級傳(chuan)統模(mo)式。
采用鄰域
智(zhi)力(li)(li)化平(ping)臺(tai)化家庭:應(ying)用(yong)做智(zhi)力(li)(li)化平(ping)臺(tai)用(yong)戶名和(he)密(mi)碼鎖(suo)、智(zhi)力(li)(li)化平(ping)臺(tai)照明燈具平(ping)臺(tai)、智(zhi)力(li)(li)化平(ping)臺(tai)電等設(she)(she)施(shi)專(zhuan)用(yong)設(she)(she)備,進(jin)行設(she)(she)施(shi)專(zhuan)用(yong)設(she)(she)備的智(zhi)力(li)(li)化平(ping)臺(tai)化把握和(he)即遠程視頻監(jian)控攝像頭(tou)。
工(gong)控機器(qi)(qi)自動化:適于(yu)于(yu)變頻電(dian)(dian)動機管理(li)、調節器(qi)(qi)器(qi)(qi)數(shu)據源抓(zhua)取、工(gong)業電(dian)(dian)力等應用場景(jing),的提升工(gong)作(zuo)中熱效率和機器(qi)(qi)比(bi)較穩明確。
機狗與人(ren)無人(ren)化值(zhi)守機:采使用在(zai)航(hang)行操作、心態可靠、圖象(xiang)清理等神(shen)器任務,實現目(mu)標工人(ren)智慧的(de)(de)綜合性導行和(he)無人(ren)化值(zhi)守機的(de)(de)可靠航(hang)行。
才智客運(yun):適用人群于車截設施、客運(yun)衛(wei)星信號的控制、車子(zi)網絡監控等畫面,增加客運(yun)服務管理(li)的規模化化能力。
智慧醫(yi)藥(yao):應使用小型式醫(yi)藥(yao)設施裝置、營養健(jian)康監測(ce)網設施裝置等,做到軀干系統化(hua)運作的時時視頻監控和(he)遠程(cheng)電腦傳遞。
東莞 市立維創展科技信息現有平臺授權書代理權產品雅特力32位MCU設備,的(de)歡迎咨訊。
上一篇: ?PADAUK應廣單片機的發展史