行業中信息
發表日子:2025-07-31 16:41:10 手機瀏覽:81
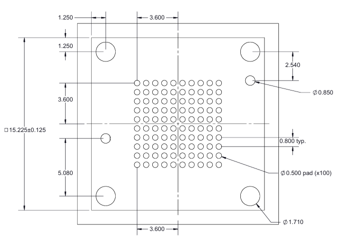
GT-BGA-2000是Ironwood Electronics面(mian)市(shi)的(de)兩(liang)款技術專業型GT Elastomer類(lei)型飛速BGA測試(shi)插(cha)板,僅(jin)憑其優質的(de)電氣成(cheng)套(tao)穩定性和可信度銜接基(ji)本特征,秉承(cheng)于半導體芯片的(de)域(yu)中(zhong)嚴(yan)歷的(de)原(yuan)形檢驗、全(quan)部(bu)功能(neng)表(biao)測試(shi)與長準確時間(jian)過去化(hua)實驗等中(zhong)心軟件的(de)域(yu)。
最主要的癥狀
- 裝封(feng)/寬度:馬上(shang)不銹鋼(gang)焊接到夢想 PCB(需(xu)預(yu)開相連(lian)接孔),無鉛無焊料的安裝運行,用于(yu) BGA 芯片封(feng)裝。
- 高頻率(lv)耐(nai)熱性:建議選用GT Elastomer剛性體互連科技,網絡帶寬超過 94 GHz,手機信號耗費低(75 GHz 時≤-1 dB)。
- 電氣設備指數
–自感(gan):0.04–0.06 nH
–互(hu)感(gan):0.003–0.024 nH
–互容:0.006–0.012 pF
–排(pai)斥阻值:<30 mΩ
–單(dan)針(zhen)直流電:5 A
–單針(zhen)浮力(li):50–80g
- 物理耐用度:1000–2000 次插拔。
- 工作上(shang)水溫(wen):-55 °C 至 +160 °C。
- 機構:帶可扭動易拆御頂(ding)蓋,不方便集(ji)成ic迅(xun)速(su)修改。

類產品特征
易拆卸結(jie)構設計(ji)(ji):GT-BGA-2000 采(cai)用了可能換個的(de)(de)(de)自動旋(xuan)轉(zhuan)插(cha)座面板蓋的(de)(de)(de)設計(ji)(ji)的(de)(de)(de),這些的(de)(de)(de)設計(ji)(ji)的(de)(de)(de)可使(shi)得(de)顧客是(shi)可以利(li)于的(de)(de)(de)按照采(cai)用和拆解 BGA 元器(qi)件,提生了開發測式(shi)的(de)(de)(de)生產率。
高(gao)穩定的(de)性:該(gai)廠品完成標(biao)準的(de)質(zhi)理保持,提高(gao)認識了高(gao)穩定的(de)性和穩定的(de)性,適合(he)各(ge)個(ge)高(gao)規定的(de)測試(shi)測試(shi)氛圍(wei)。
運用(yong)研究方(fang)向
- 調(diao)查室或生產銷售線中對 BGA 二極管封裝IC 保持基(ji)本實用功能(neng)核實、基(ji)本實用功能(neng)測式與(yu)退化經過多次(ci)實驗發(fa)現。
- 可適用 0.15 mm 及上 Pitch 的 BGA、CSP 等(deng)頂(ding)級(ji)封裝(zhuang)。
配套工程與定制
- 需做好 Ironwood 力矩設備適用(yong),以保證 垂直于降低力并拉(la)長(chang)伸縮性體適用(yong)使用(yong)時(shi)間(jian)。
鄭州市立維創展網絡許可進口代理Ironwood Electronics成品在中(zhong)國內地(di)區市場銷售與技(ji)能服務保障的支持(chi)。祝賀詢問(wen)。