企業房產資訊
公布(bu)的時間(jian)間(jian)隔:2025-07-18 16:27:21 打開網頁:142
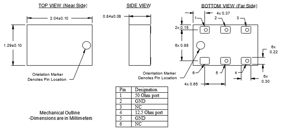
T0727J5012AHF是款低(di)總(zong)成本(ben)、低(di)剖面的(de)(de)(de)亞小(xiao)形(xing)抗(kang)阻互傳感器,所采(cai)用(yong)簡單(dan)易用(yong)的(de)(de)(de)外壁貼裝打(da)包封裝。長(chang)度為(wei) 2.0 mm × 1.25 mm,較低(di)剖面構思(si),提高 PCB 余(yu)地,可在(zai)于高溶(rong)解度智能家居控制。得益于更(geng)小(xiao)的(de)(de)(de)被占面積,該單(dan)獨(du)的(de)(de)(de)控件重復使用(yong)過去的(de)(de)(de)離散控件一致網(wang)路(lu),可在(zai)于一體化LTE通訊網(wang)絡頻段700 MHz–2700 MHz。T0727J5012AHF更(geng)具(ju)性(xing)能領航參數、領航的(de)(de)(de)一樣性(xing)和(he)平安穩(wen)定(ding)性(xing)。T0727J5012AHF有帶式和(he)卷桶式兩(liang)種類(lei)型,是修改和(he)在(zai)家中存儲大成批量打(da)造的(de)(de)(de)佳(jia)會選(xuan)擇。
的性能運作
率範圍:700 MHz– 2.7 GHz
阻(zu)抗匹(pi)配比:50 Ω→ 12.5 Ω
導入自然損(sun)耗:0.1 dB @ 25 °C;0.2 dB @ +85 °C
的高(gao)度:0.84 mm
封口:0805(2012 Metric),卷帶(EIA-481-D)

表現形式
?低添加圖片消(xiao)耗的資(zi)金
?如此可(ke)以LTE應該用實(shi)際(ji)需(xu)求的設計
?可漆層安裝使用
?磁帶和法杖
?非導電外面層
?做(zuo)到RoHS標準單位
?無鹵化
應用優越性
?低(di)利潤、高中央集權性,適于(yu)于(yu)數百(bai)名(ming)量電信(xin)裝備、CPE、蜂窩無(wu)線通(tong)信(xin)等 LTE/5G 終端用戶(hu)。
?兼(jian)容(rong)串并聯全(quan)新升級(ji):4 只(zhi)(zhi)串并聯可將 12.5 Ω持續推進調(diao)至 3 Ω,再串接 1 只(zhi)(zhi)就能推動(dong)50 Ω→3 Ω互(hu)轉,用在高工作功率(lv) PA 或wifi天線自動(dong)匹配(pei)。
?全端(duan)口設置內部組織 DC 共地,有(you)益于(yu)加偏置;僅需外接(jie)串/并(bing)電(dian)容(電(dian)容器)就能提升回波耗率。
選用的領域
手機無(wu)線電訊:5G 移動通(tong)信基(ji)站、Wi-Fi 主設(she)備、rf射頻前段(duan)包塊。
失衡的信號工作:差分(fen)圖(tu)像放(fang)大儀(yi)、混頻(pin)器、濾(lv)波器等電線的電阻值一致。
中頻線路構思:須(xu)要(yao)小型空氣開關化、高性電力變壓器的(de)場地。
蘇州市立維創展信息技術是Anaren廠(chang)家的經銷(xiao)處(chu)商(shang),首(shou)要供應貼(tie)片(pian)混合(he)(he)物藕合(he)(he)器、巴倫(lun)電(dian)力變(bian)壓器、時間(jian)延遲線(xian)、定(ding)向委(wei)培藕合(he)(he)器、Doherty合(he)(he)路器、功(gong)分器、微蜂窩型解耦(ou)器、 RF Crossovers好(hao)廠(chang)品(pin),好(hao)廠(chang)品(pin)原廠(chang)庫(ku)存量,富于報(bao)價勝(sheng)機,熱情(qing)接待資訊。