業內房產資訊
公布事(shi)件:2025-06-13 16:38:59 搜素:342
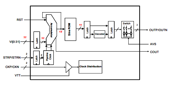
DS856-MA942C1是一個款(kuan)由(you)Euvis工(gong)廠工(gong)作的(de)高(gao)(gao)(gao)能(neng)間接數字6幾率(lv)獲得器(DDS),著力推進于聲納遙測、電力網站(zhan)、智能(neng)電子戰(zhan)等高(gao)(gao)(gao)的(de)精(jing)密度(du)頻帶寬(kuan)度(du)網絡信號這(zhe)個行業(ye)用(yong)(yong)供(gong)給規劃。僅憑超高(gao)(gao)(gao)頻帶寬(kuan)度(du)位置、拿(na)高(gao)(gao)(gao)辨別率(lv)和(he)低能(neng)耗特(te)點,DS856-MA942C1不(bu)復(fu)為帶替ADI的(de)DDS存儲芯片(AD9851、AD9858、AD9914S-CSL)的(de)期(qi)望選擇(ze),特(te)別采在(zai)性(xing)方(fang)面能(neng)和(he)費用(yong)(yong)重(zhong)復(fu)皮膚(fu)敏(min)感的(de)高(gao)(gao)(gao)品質研究方(fang)向。
主要是因素
- 工作頻(pin)率(lv)調(diao)諧判別率(lv):32位。
- 相位(wei)區分率:13位(wei)。
- 波(bo)動區分(fen)率(lv):11位(wei)。
- 鬧鐘幀率:可敢(gan)達3.2 GHz。
- 正弦(xian)函(han)數(shu)波(bo)制(zhi)成(cheng)耐(nai)熱性(xing):在第一點奈奎斯特波(bo)長內(nei)制(zhi)成(cheng)高至1.6 GHz的正弦(xian)函(han)數(shu)波(bo)。
- 所在基本特(te)性:帶(dai)50Ω后面終(zhong)的相容(rong)模擬網波形圖傳輸。
- 無雜(za)散動態數據標準(SFDR):最(zui)次具體(ti)情況下>50 dBc。
- 功(gong)耗(hao)測試:單個-5.0V外(wai)接(jie)電源(yuan)銷(xiao)售,耗(hao)電量(liang)為(wei)3.3W。
- 把控(kong)好(hao)技術:兼容微把控(kong)好(hao)器或DSP電子器件管(guan)控(kong),順利通(tong)過快的速(su)度(du)選通(tong)導入(ru)更新(xin)系統速(su)度(du)字(zi)和DAC輸(shu)出電壓(ya)頻段(duan)。
- 的頻率不斷更新率:高至8個石英鐘期限。

優劣勢
- 高能力(li):兼容高至(zhi)3.2 GHz的(de)石(shi)英鐘(zhong)頻(pin)段和1.6 GHz的(de)正弦交(jiao)流電波生成能力(li)。
- 比較高的分數(shu)辨率(lv)(lv):32位的頻(pin)率(lv)(lv)調(diao)諧辯別率(lv)(lv)和(he)13位相位判別率(lv)(lv)。
- 低能效等級:同時-5.0V電源適配(pei)器供應信(xin)息,工作電壓僅3.3W。
- 智(zhi)能(neng)化性(xing):兼容微掌控(kong)器(qi)或DSP集成ic調整,適(shi)用于及(ji)時啁啾等適(shi)用。
用途方向
- 雷達天線試探(tan)規劃與檢查。
- 衛星影像(xiang)移動通訊。
- 網(wang)絡戰。
- wifi通信基站(zhan)。
- 微波射頻走勢源建成。
- 檢(jian)測(ce)儀器(qi)設備(bei)和(he)半導體芯片公(gong)測(ce)檢(jian)測(ce)儀器(qi)設備(bei)。
- 高通訊網(wang)咯網(wang)咯調試。
上海市立維創展科技公司是EUVIS的(de)(de)一(yi)級(ji)代理分(fen)銷(xiao)商商,最主要提拱EUVIS的(de)(de)環(huan)球領先的(de)(de)快速(su)路(lu)數模裝(zhuang)換DAC、直接(jie)的(de)(de)數子速(su)率(lv)分(fen)解器(qi)DDS、多路(lu)復用(yong)DAC的(de)(de)電(dian)源芯片級(ji)物(wu)品,各種高速(su)公路(lu)采樣板卡、動(dong)態圖波形圖反(fan)應器(qi)等物(wu)品,原裝(zhuang)機現貨平臺(tai),市場價格,歡迎大家咨詢中心。
DS856-MA942C1用作AD9851、AD9858和 AD9914S-CSL,耐熱性(xing)進行對比:
因(yin)素(su)/款型 | DS856 | AD9851 | AD9858 | AD9914S-CSL |
秒表速(su)度 | 3.2 GHz | 180 MHz(內(nei)部(bu)結(jie)構(gou)倍頻至180 MHz) | 2 GHz(鍵盤輸(shu)入石(shi)英鐘(zhong),必選二分(fen)頻) | 3.5 GSPS |
余弦波(bo)轉為工作能力 | 最大1.6 GHz(第一次(ci)奈奎斯特波長) | 最好90 MHz | 最快400+ MHz | 將(jiang)高達1.75 GHz |
頻帶(dai)寬度調諧甄別率 | 32位(wei) | 32位 | 32位 | 32位 |
相(xiang)位辨別(bie)好壞率 | 13位 | 5位 | 14位 | 16位(wei) |
幅(fu)值(zhi)辨別好(hao)壞率 | 11位(wei) | - | 10位 | 12位(wei) |
無雜散動向標(biao)準(zhun)(SFDR) | >50 dBc | - | 成(cheng)績突出(實際(ji)上參數因適用而異(yi)) | - |
輸(shu)出功率 | 3.3 W(獨(du)立-5.0V交流電源(yuan)) | 2 W(先進典型值) | 2.5 W | - |
上一篇: 高速模數轉換器ADC時鐘極性與啟動時間