相關行業新聞資訊
發布(bu)了時間段:2025-06-11 16:31:27 瀏覽器:375
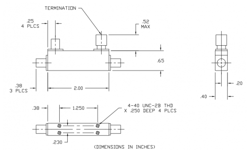
KRYTAR交叉耦(ou)合(he)器(qi)101040013/101040013K激發了要(yao)多的主要(yao)用途帶狀線規(gui)劃的首選,其主要包括單個化(hua)、緊(jin)湊型suv輕便(bian)式(shi)封裝形式(shi),在1.0至(zhi)40.0GHz超大頻運(yun)作(zuo)頻段掌握優異的藕合(he)(he)能力(li)。能力(li)上,標稱藕合(he)(he)(對(dui)比一(yi)下于(yu)輸(shu)入輸(shu)出(chu))13dB且(qie)變化(hua)±1.0dB,次數(shu)敏銳度(du)±1.2dB;1 - 20GHz復(fu)制到消耗(含解耦熱效率)<1.1dB,20 - 40GHz<1.8dB;1 - 20GHz走向性(xing)>14dB,20 - 40GHz>10dB;1 - 20GHz高達(da)VSWR(同(tong)一(yi)串(chuan)口)1.5,20 - 40GHz為1.7;載荷系數(shu)輸(shu)出(chu)輸(shu)出(chu)功率對(dui)數(shu)正態分布20W、較(jiao)高3kW。選用制造行業基準2.4mm母頭相(xiang)射頻連接器,二極管封裝樣式(shi)2.0×0.40×0.659英寸,重1.3oz,操作(zuo)方法室內(nei)溫度(du)-54°至(zhi)+85°C,是超高帶高功能(neng)的安全可靠。

技術參數
最小頻(pin)點(GHz):1
很高平率(GHz):40
標(biao)稱(cheng)軸承:13 ±1.0
規律敏銳度(dB):±1.20
插進耗費(fei)(dB Max):1-20 GHz,1.1;20-40 GHz,1.80
的全(quan)局性(dB Min):1-20 GHz,14;20-40 GHz,10
VSWR(最低(di)值):1-20 GHz,1.5;20-40 GHz,1.70
額(e)定輸出(chu)(chu)功率輸出(chu)(chu)功率(W):20
101040013 規則接器(母頭(tou)):2.4 mm
101040013K標準的進行聯接器(母頭(tou)):2.92 mm
珠海市立維創展技術認證代銷商KRYTAR產品設備(bei)設備(bei),區域類型常備(bei)外盤。產品設備(bei)設備(bei)正品原產,服務質量保持(chi),歡迎圖片(pian)資訊(xun)。