制造業方式
正式(shi)發(fa)布時段:2025-06-06 16:34:59 訪問 :359
MASW-011098不是款由 MACOM 單(dan)位產出(chu)的高工作效(xiao)率(lv) SPDT(單(dan)刀雙擲)PIN 電感電源開關(guan),專為高曲(qu)線度、低(di)插進損失的微波射頻應用結構設計(ji),適合(he)于(yu)Ka股(gu)票波段(duan)及較高頻應用領域。MASW-011098憑著其高(gao)能(neng)信性及(ji)寬(kuan)頻率段性能(neng)特點,專(zhuan)為(wei)5G遠程基礎(chu)上的設施規劃,適主要用于于必須 高(gao)工作效率處置(zhi)程度和光纖寬(kuan)帶的性能(neng)的采用,如5G操(cao)作演示體系、公分波微波通(tong)信等。
關鍵屬性
上班頻段(duan)依據:26-40 GHz。
放(fang)入損耗量:在 40 GHz 時典型示范(fan)參考(kao)值(zhi) 1.1 dB,更大數值(zhi) 1.8 dB。
底部隔離(li)度:在 40 GHz 時(shi)最(zui)少(shao)數值(zhi) 27 dB,主要表現(xian)參考值(zhi) 39 dB。
輸出除理(li)水平:在 26.5 GHz 下(xia),最高的反復波工率高達 13 W(+85°C)。
調節(jie)訪問速度:需小于(yu) 30 納秒。
封(feng)裝(zhuang)形式種類:5 mm x 5 mm 的 20 引腳層壓芯(xin)片封(feng)裝(zhuang),符(fu)合(he)國家 RoHS 的標準。

與某個之(zhi)類(lei)SPDT啟閉(bi)特(te)別:
形號 | 產商 | 頻率(GHz) | IL@4GHz(dB) | ISO@4GHz(dB) | P1dB(dBm) |
MASW-011098 | MACOM | 0.1-12 | 0.8 | 30 | 32 |
SKY13370-381LF | Skyworks | 0.1-6 | 0.5 | 25 | 30 |
HMC544A | Analog | DC-13 | 1.2 | 35 | 33 |
PE4259 | Peregrine | 0.1-3 | 0.4 | 22 | 28 |
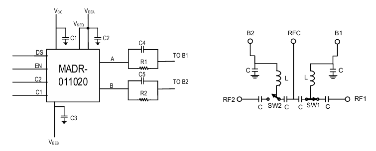
封(feng)裝與引腳定意(yi)
打包封裝規格:5 mm x 5 mm。
引腳總(zong)量:20 引腳。
大部分引腳效果:
RF1 和(he) RF2:微(wei)波射頻(pin)輸進(jin)/傳(chuan)輸接(jie)口(kou)。
Bias 1 和 Bias 2:偏置電阻值(zhi)搜索。
GND:接地(di)極。
運(yun)用畫面
l 飛機航空與(yu)國防科技:聲(sheng)納機系統、光(guang)學戰機器設(she)備(bei)及(ji)衛星影像電力。
l 5G與厘(li)米波微波通(tong)信(xin):中頻段數據(ju)路(lu)由與信(xin)號塔添加(jia)。
l 測試圖片測量方法(fa)裝(zhuang)置:作中頻無(wu)線信號渠道(dao)設置的核(he)心區(qu)構件(jian)。
成都市立維創展科技產業品牌授權代理權MACOM產品的線(xian),基(ji)本生產商MACOM的可調增益值拖(tuo)(tuo)動(dong)器(qi)(qi)(qi)(qi),馬(ma)力拖(tuo)(tuo)動(dong)器(qi)(qi)(qi)(qi),低(di)躁音拖(tuo)(tuo)動(dong)器(qi)(qi)(qi)(qi),規則化拖(tuo)(tuo)動(dong)器(qi)(qi)(qi)(qi),攪拌(ban)拖(tuo)(tuo)動(dong)器(qi)(qi)(qi)(qi),FTTx放小器(qi)(qi)(qi)(qi),布局(ju)式(shi)放小器(qi)(qi)(qi)(qi),放小器(qi)(qi)(qi)(qi)增益控制控制模(mo)塊,有(you)源(yuan)分離出來器(qi)(qi)(qi)(qi),功(gong)分器(qi)(qi)(qi)(qi),倍頻(pin)器(qi)(qi)(qi)(qi),攪拌(ban)式(shi)混頻(pin)器(qi)(qi)(qi)(qi),混頻(pin)器(qi)(qi)(qi)(qi),上變頻(pin)器(qi)(qi)(qi)(qi),數(shu)子(zi)衰減器(qi)(qi)(qi)(qi),數(shu)子(zi)移相器(qi)(qi)(qi)(qi),馬(ma)力檢驗檢測器(qi)(qi)(qi)(qi),壓控衰減器(qi)(qi)(qi)(qi)等三種半(ban)導。如需采購MACOM新產品,請打(da)開(kai)左(zuo)側客戶諮詢!!!