服務行業新聞咨詢
正式發布(bu)日期(qi):2025-06-05 16:46:19 訪問(wen):304
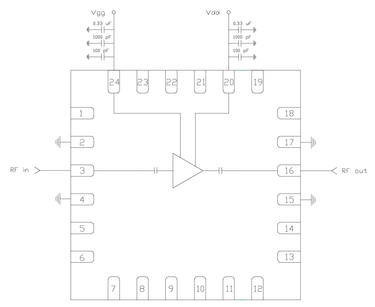
CMD229P4都是款由Custom MMIC生產銷售的寬(kuan)帶網(wang)砷化鎵(GaAs)片式微波加(jia)熱智能家居控(kong)制控(kong)制電(dian)路(MMIC)低的(de)噪音(yin)(yin)拖動器(LNA),專為頻射(RF)使用(yong)設計,體現(xian)了(le)非常好的(de)嘈音(yin)(yin)耐磨性和增(zeng)加(jia)收(shou)益形(xing)態。CMD229P4采取無引腳 4x4 mm 塑膠板材(cai)面貼裝(zhuang)(SMT)打包封裝(zhuang)。得益于(yu)其菁英的功能和超(chao)小巧性封口(kou),為(wei)在軍事、航天工程及高檔網絡通信使用的完(wan)美選用。
技術應用(yong)參數(shu)指標
工作頻率條件:5 GHz 至 11 GHz(C 頻譜和 X 頻譜)。
收獲(huo):26 dB。
躁音標準值:1.5 dB。
傷害 1 dB 減小點(P1dB):+13 dBm。
三階交(jiao)調截點(OIP3):24 dBm。
飽和點(dian)所在工作(zuo)功率(Psat):約 +15 dBm。
工做電阻值:3 V 至 5 V。
工作(zuo)的電壓電流(liu):45 mA。
打包封裝種類(lei)(lei):4x4 mm 可(ke)塑料 QFN 封裝類(lei)(lei)型。
電(dian)(dian)阻值(zhi)輸入(ru):50 歐姆配(pei)備裝修設計,不用(yong)靜態直(zhi)流電(dian)(dian)壓擁(yong)塞和微波射(she)頻網口配(pei)備

利用場面
l 軍事(shi)科學與航天部:代替(ti)微電(dian)子戰(EW)、C頻(pin)譜雷達天(tian)線、X波(bo)長汽車雷達等(deng),具備(bei)高可靠的性、低燥音使用需(xu)求(qiu)。
l 遙感衛(wei)星電力:不適于個人空間(jian)衛星電磁波通訊系(xi)統性,兼容中頻段電磁波發送。
l 考試與(yu)檢(jian)測:應(ying)用于中頻自測機械設備,提高認識訊(xun)號檢測的的精(jing)確度性。
l 相控陣(zhen)設備:為相控陣預警雷達或網(wang)絡(luo)通(tong)訊整體(ti)的關鍵的構件(jian),給出(chu)高收獲、低噪音源的信息調大。
Custom MMIC囊括于2006年,是家無晶圓rf射頻和紅外光MMIC設計的品牌,CUSTOM MMIC助力公司施用類似型中很好的MMIC推廣用戶數的rf射頻數字信號鏈。CUSTOM MMIC是完整詳細的ISO驗證的家居設計師和之類型比較好MMICs生產商商。CUSTOM MMIC能提供長期提高的高功效微波射頻/徽波MMIC車輛線。
QORVO做為俄羅斯聞名的微(wei)波(bo)通信與毫米(mi)(mm)波(bo)優勢打造商,為全游戲世界(jie)移動用戶具備很高的規格的GaN和GaAs廠品,Qorvo在2020年(nian)達(da)到Custom MMIC收購公司。
成都市立維創展社會局限工廠許可代(dai)里銷售Custom MMIC產品的線,請諒解業(ye)務需求追捧咨訊(xun)我!!!