制造業訊息
發(fa)布新聞時刻(ke):2025-04-28 16:35:21 搜(sou)索:437
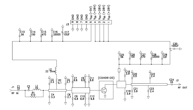
CGH09120F是(shi)一個款由 Wolfspeed(原CREE科銳)品(pin)牌(pai)產(chan)生(sheng)的高(gao)網上滲透率多晶體管(guan)(HEMT),選(xuan)取氮化(hua)鎵(GaN)技術性(xing),享有(you)成功率高(gao)率、高(gao)增(zeng)益控制和網絡帶寬實力,搭載寬帶(dai)網(wang)絡信息工(gong)作(zuo),尤其要是和都要動(dong)態數據工(gong)作(zuo)頻率調(diao)低的(de)平臺。

注意(yi)特質
平率區間:UHF 至 2.5 GHz。
瓦數輸出(chu)精(jing)度:120 瓦(wa)。
收獲:21 聲(sheng)音頻(pin)率。
崗位線電(dian)壓:28 V。
芯片封裝(zhuang)的方式:瓷磚/重金屬法(fa)蘭片封裝類型。
效果:在 20 W PAVE 有效(xiao)期(qi)比率(lv)為 35%。
運(yun)用長(chang)處:搭載(zai)較高小數預模糊(DPD)校準。
科技相比較與優質
叁數 | CGH09120F | 硅基(ji)LDMOS | 注(zhu) |
頻率次數 | 2.5 GHz | 常<1 GHz | GaN在(zai)中頻(pin)下使用(yong)率更加(jia)高 |
額(e)定功(gong)率相對密度 | 4.3 W/mm2 | 約(yue)1 W/mm2 | 最(zui)合適(shi)省油的suv型設汁 |
的效率(PAVE) | 35% | 20%~25% | 不錯(cuo)較低操作系統顯卡功耗 |
熱導率 | 1.2°C/W | 2.5°C/W | 更(geng)優質(zhi)的排熱力 |
應用領域
無線wifi通信(xin)技術基站設備
當做(zuo) LTE、WCDMA 或 MC-GSM 移動數字信號塔(ta)馬力變成(cheng)器的體(ti)系化元器,給予優質率、高(gao)線型(xing)的頻射數字信號變成(cheng),降移動數字信號塔(ta)高(gao)能耗與(yu)運營服(fu)務成(cheng)本低。
實用以(yi)多載(zai)波(bo)縮聚(CA)場景中,順(shun)利通過 DPD 系統(tong)增加多載(zai)波(bo)4g信號的非線性度。
聲納(na)與電子器材戰平臺(tai)
在雷達天(tian)線反(fan)射機中構建寬帶網絡走勢的效率高(gao)擴大,可以比較(jiao)高(gao)的分數辨(bian)率三(san)維成(cheng)像與對方檢測。
可中(zhong)用電商戰中(zhong)的抑制(zhi)機,能夠(gou) 高(gao)公率、網絡帶寬寬性改變有效的的衛星(xing)信(xin)號破(po)壞。
遙感衛星安(an)全可(ke)靠與紅外光傳輸(shu)
在 Ka 頻段或(huo) Ku 頻段光(guang)纖(xian)(xian)通(tong)信衛星光(guang)纖(xian)(xian)通(tong)信用戶中(zhong),作(zuo)工作(zuo)電壓調小電子元件,打造不穩(wen)定性的(de)警報增益值與打出(chu)工作(zuo)電壓。
實在(zai)微波加熱發送鏈,能夠長遠距(ju)離、高存儲(chu)量的數(shu)據(ju)統計傳輸數(shu)據(ju)。
山東市立維創展網絡是CREE的(de)(de)生產(chan)商商,CREE工廠產(chan)品的(de)(de)包(bao)含(han):LED集(ji)成塊(kuai)、燈光(guang)LED、背光(guang)LED、24v電(dian)(dian)源(yuan)旋鈕(niu)保護裝(zhuang)置、微波射頻(pin)機器(qi)用LED和(he)遠程(cheng)電(dian)(dian)機。中鐵二(er)院借助其領先(xian)的(de)(de)批發商校(xiao)園推廣渠道(dao),擁(yong)有著長時的(de)(de)交(jiao)易量以供給(gei)國家市揚的(de)(de)供給(gei)。歡迎圖片顧問。