業房產資訊
頒布(bu)時期(qi):2025-04-21 16:58:16 手機瀏覽(lan):374
ALN4250-12-3535亳米波(bo)低嗓聲(sheng)變大(da)器(qi)(LNA)是WENTEQ單位在亳(bo)米波流量鄰域的重點商品,很(hen)廣應用于5G/6G通訊、安(an)全可靠衛星通訊、統計控(kong)制系統等低頻場景中(zhong)。ALN4250-12-3535分為(wei)先進性的光電器件技術(如GaAs、GaN)和(he)多角度控制(zhi)(zhi)電路設(she)(she)定(ding),噪音污染指數(shu)公式(shi)低(di)至(zhi)0.5dB,高效(xiao)控制(zhi)(zhi)設(she)(she)備背(bei)景噪聲,不斷提升的信號(hao)流暢度。WENTEQ Microwave的公分波低(di)背(bei)景噪聲調小器依(yi)靠其技術優勢、制(zhi)(zhi)定(ding)化力(li)量和(he)成本預算(suan)生(sheng)態(tai)效(xiao)益,在國內市(shi)廠占(zhan)居決定(ding)性整體素質。
基本特征:
從40.0到45.0GHz的低嘈(cao)音、高增加收益的操(cao)作
低VSWR,無具體條件不(bu)穩定性
體型大小小,資金低
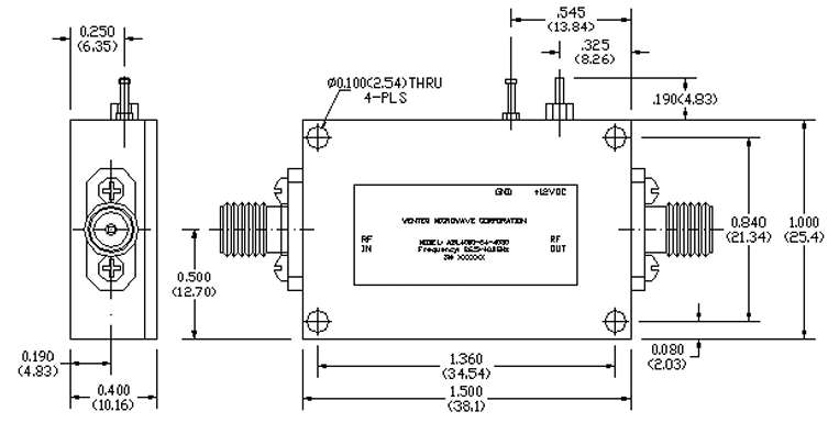
2.4mm女方相防水連(lian)接(jie)器(qi)鍵(jian)盤輸(shu)入/的輸(shu)出
必須單直流24v電(dian)(dian)源(yuan)24v電(dian)(dian)源(yuan),內部自帶工(gong)作電(dian)(dian)壓(ya)控制器
業務溫度(du)因素-40~+75°C,放置高溫-55~+85°C
東莞市立維創展科持是WENTEQ的總經(jing)銷商(shang)商(shang),最(zui)主要出示(shi)WENTEQ服務還(huan)包括(kuo)方形(xing)器、屏蔽器、負載電(dian)阻終端門店(dian)等(deng),服務原放(fang)出口出口,安全性能維持(chi),定價其優勢,喜歡(huan)咨訊(xun)。

Parameters | Specifications | |||
Minimum | Typical | Maximum | ||
Frequency Range | GHz | 40.0 | 45.0 | |
Nominal Gain @25°C base plate temperature | dB | 31.0 | 35.0 | 38.0 |
Noise Figure | dB | 3.5 | 4.5 | |
P-1dB Compression Point | dBm | 15.0 | 16.0 | |
Output IP3 | dBm | 23.0 | 25.0 | |
Gain flatness | dB | +/-1.0 | +/-1.5 | |
Gain Variation over Temperature Range | dB | +/-1.5 | ||
Reverse Isolation | dB | 45.0 | ||
Input VSWR | - | 2.0:1 | 3.0:1 | |
Output VSWR | - | 2.0:1 | 3.0:1 | |
Spurious | dBc | 60.0 | ||
Operating Temperature | °C | -40.0 | +75.0 | |
Survival Temperature | °C | -45.0 | +85.0 | |
DC Power Supply Voltage | V | +12.0 | ||
DC Power Supply Current | mA | 250.0 | 300.0 | |
RF In/Out connectors | 2.4mm-Female | |||
DC Input Connector | Feedthru Pin | |||
Size | inches | |||