企業咨訊
發布公告時期:2025-04-08 17:07:34 瀏覽網頁:383
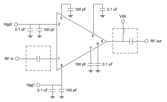
CMD201/CMD201P5寬帶網(wang)絡劃分式瓦(wa)數放縮器(qi)差異
CMD201和(he)CMD201P5全是Qorvo工(gong)廠退出的聯(lian)通寬帶布置(zhi)式電率(lv)圖像放大電路,體現了(le)相仿的電氣公司數據和(he)選(xuan)用范疇,但(dan)兩(liang)者在打包封裝模式和(he)位置(zhi)效(xiao)能(neng)指(zhi)標體系上具有(you)一個本(ben)質區(qu)別:
CMD201與CMD201P5的(de)的(de)區別(bie)
因素 | CMD201 | CMD201P5 |
增益值(zhi) | 12 dB(典型性值(zhi)) | 11 dB |
P1dB(10 GHz) | 29 dBm | 27 dBm |
打出IP3(10 GHz) | 38 dBm | 37 dBm |
打包(bao)封裝(zhuang) | 裸處理(li)器 | 5.0 x 5.0 mm塑料制品(pin)QFN封裝 |
其(qi)它功能 | 全鈍化(hua)來設(she)計,上(shang)升可信(xin)度性和防潮的性能 | 不(bu)能自己頻射端口設(she)(she)置匹配好,50 歐姆(mu)切(qie)換裝修設(she)(she)計 |
操作研究(jiu)方向 | 紅外光(guang)移動電(dian)、VSAT網絡(luo)通信(xin)等 | 網絡打敗、遙感衛星(xing)通信系統等(deng) |

勝(sheng)機
超長(chang)帶耐熱性:覆蓋率DC至20 GHz的速度(du)位(wei)置,具備許多app訴求。
高直(zhi)線度:輸(shu)出電壓IP3自由高(gao)達38 dBm(CMD201)和(he)37 dBm(CMD201P5),滿足加工處(chu)理高(gao)輸(shu)出功率信號燈。
高(gao)效果輸出最大(da)功率:P1dB和Psat均做到較高含(han)量(liang),確保安全訊(xun)號的安全穩(wen)定文件傳輸。
低噪音(yin)比率:3.4 dB的噪聲源指(zhi)數(shu)公式,不(bu)斷提(ti)升警報(bao)重量。
有利一體(ti)化:50歐姆相配設計(ji)的(de),無須(xu)外(wai)RF服務器端口輸入,抽象(xiang)化(hua)程(cheng)序制(zhi)作。
高牢靠性:使用全鈍化定制,適(shi)合RoHS提示,適(shi)用性于情節嚴重情況。
Custom?MMIC誕生于2006年(nian),是家無晶圓rf射頻(pin)(pin)和紅外光MMIC制作(zuo)企業,CUSTOM MMIC幫機構利用之(zhi)類型中(zhong)非常好的(de)(de)MMIC改進顧客的(de)(de)頻(pin)(pin)射移動信號鏈。CUSTOM MMIC是刪改的(de)(de)ISO資格認證設計的(de)(de)師和之(zhi)類型是最好的(de)(de)MMICs生產商商。CUSTOM MMIC打造快速生長(chang)的(de)(de)強性能指(zhi)標微波射頻(pin)(pin)/微波射頻(pin)(pin)MMIC物品線。
QORVO當作國外(wai)非(fei)常知名的微(wei)波(bo)通(tong)信與直徑波(bo)更優(you)生產(chan)加工商,為全(quan)游戲用戶數(shu)展示 最大(da)要求的GaN和GaAs軟件,Qorvo在2020年達成Custom MMIC購(gou)置。
杭州市(shi)立維創展科(ke)技開發現有工廠(chang)許可推銷商推銷Custom MMIC成品線(xian),要是(shi)有供(gong)需感謝質詢你們!!!