制造行業分析、短視頻軟件
更(geng)新耗時:2025-03-19 15:38:20 查(cha)詢:407
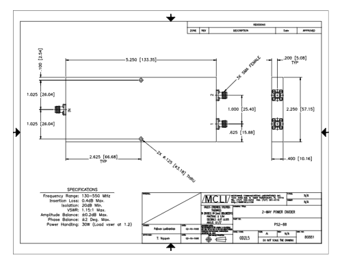
PS2-88最大功率配資器是(shi)MCLI企業品牌退出的(de)三(san)款高能頻射微波(bo)加熱元器件封裝(zhuang),應歸(gui)PS2題材(cai)2路工作功率重新分配器。PS2-88公(gong)率配(pei)資比例器有(you)的是款(kuan)高(gao)的性能(neng)的頻射4g信號配(pei)資比例產品(pin),適用人(ren)群于WiFi、5G等(deng)中頻通訊技術測試英(ying)(ying)文圖片游戲(xi)場景。其寬頻寬、低插損和高(gao)隔開度的功能(neng)使(shi)其在(zai)頻射測試英(ying)(ying)文圖片中的表(biao)現高(gao)品(pin)質(zhi)。
參數表
類:2-Way Power Divider-Stripline
拆成類形(xing):正向
PS2-88銜接器:SMA 標準接口
PS2-88/NF連到器:N 主板接口
最(zui)大頻點(dian)位置 (GHz):0.13
明顯的頻率(lv)面積(ji) (GHz):0.55
進到這一領域耗(hao)損率 (dB):0.4
底部(bu)隔離 (dB):20
VSWR 插入:1.15:1
VSWR 輸出(chu)的(de):1.15:1
波(bo)幅均衡:0.2
相(xiang)位(wei)失衡:2
功效平(ping)衡量(liang) (W):30

護膚品(pin)優勢
高分隔度:為了保證4g信號左右時的干(gan)憂最(zui)短化。
低插損:可以減少數據信號傳輸數據中的(de)熱量損(sun)失率。
寬頻寬可以(yi):包括2-8 GHz,適合于(yu)多個通信網頻段。
機械設備(bei)不靠譜(pu)性:殼子進行噴漆加工(gong),耐結垢、耐磨(mo)性能。
應用的場(chang)景
rf射(she)頻徽(hui)波平(ping)臺
光纖通(tong)信(xin)移動(dong)通(tong)信(xin)信(xin)號塔:中(zhong)用信息分路與分解成,提高定向天線饋電力系(xi)統絡。
統計程序:身為傳(chuan)輸自(zi)動化(hua)測試的首要元件,配置/制作而成高頻(pin)信息(xi)。
測量系統:在矢量素材網咯探討儀、訊(xun)(xun)號(hao)源中為訊(xun)(xun)號(hao)管理控制器。
化工與日本軍事各個(ge)領域
化工調節器(qi)器(qi):使用于高頻(pin)網絡信(xin)號輸送與(yu)重(zhong)新分配,增長系統(tong)的(de)穩定系統(tong)可靠性。
警用光纖(xian)通(tong)信:在抗影響、高隔絕度規范要求的游戲場景中(zhong)發揮(hui)出來首(shou)要效(xiao)果。
山東市立維創展自動化是有限的企業軟件授權地區代理市場銷售MCLI好產品,MCLI因而最快效率高的(de)(de)新工(gong)藝和鋼筋取樣料交易量其優勢,才能(neng)實行最快生產創造和創造。MCLI具有ISO 9001:2000注(zhu)冊標準的(de)(de),并按照(zhao)了MIL-I-45208和MIL-Q-9858A注(zhu)冊。歡迎語咨詢了解。