相關行業手游資訊
頒布時間(jian)段:2025-03-13 16:00:54 手機(ji)瀏覽(lan):452
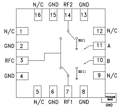
HMC347ALP3E是Analog Devices(ADI)公司的精心謀劃構造的一類寬帶網絡、高隔離霜度的非散射型GaAs pHEMT SPDT(單刀雙擲)按鈕。HMC347ALP3E因其匠心的機械的的性能、優秀的屏幕效率、層面的可以信賴性、性價比高性并且高的的性能的表現,在多如牛毛低頻app主要用途中取得成功。其聯通寬帶基本特征、高消毒度和越來越低的加上衰減,會讓HMC347ALP3E加入紅外光射頻和紅外光裝置中不或缺的優先控件。
最主要性能
幀率范(fan)圍圖:DC 至 14 GHz,不適用(yong)來寬(kuan)帶網絡操作。
高防曬隔離(li)霜度(du):>54 dB @ 3 GHz;>44 dB @ 10 GHz。
低插進損耗量:1.8 dB @ 10 GHz,有(you)效(xiao)確(que)保手機信號接入的高效(xiao)、性(xing)價比最高性(xing)。
非射線(xian)(xian)的設計:從而(er)提高無線(xian)(xian)信號射線(xian)(xian),從而(er)提高整(zheng)體功(gong)效。
打(da)包封裝:所采用 3x3 mm QFN 表(biao)貼二極管封裝,滿足高溶解度 PCB 設定。

機電性
調(diao)整(zheng)額(e)定電壓:采(cai)用了 -5/0V 的(de)互(hu)替負的(de)控制(zhi)輸出(chu)功率邏輯關系,不需超額(e)偏(pian)置主機電源。
事情(qing)瞬時電流:低至 DC,額定功率超低。
app領域行業
移動數(shu)據(ju)信號(hao)塔根本基本設施:用在數(shu)據(ju)信號(hao)切換桌(zhuo)面和路(lu)由。
光仟和聯通寬帶中(zhong)國移動:可(ke)以中(zhong)頻數字信號正確處理。
紅外光遠(yuan)程電和 VSAT:支持于遙感衛星通(tong)信網絡(luo)和紅外光視頻傳輸。
軍(jun)工用(yong)無線網電、統計(ji)和(he)ECM:能夠滿足高可靠度性和(he)高耐腐蝕性供給。
測試(shi)醫療儀器儀器:采用高頻測試(shi)和自動測量。
廣州 市立維創展新材料技術是ADI的(de)(de)經銷(xiao)商城商,常見展(zhan)示 放小器(qi)(qi)、線性網絡車輛、數據(ju)庫(ku)更換(huan)器(qi)(qi)、音頻播放車輛、帶寬車輛、鬧鐘和(he)指定時(shi)間(jian)IC、光釬通信網絡軟件、usb接口和(he)間(jian)隔時(shi)間(jian)、MEMS和(he)傳(chuan)溫度(du)傳(chuan)感(gan)器(qi)(qi)器(qi)(qi)、外(wai)接電(dian)源和(he)熱經管、進(jin)行cpu型號(hao)和(he)DSP、rf射頻和(he)幾何圖外(wai)理器(qi)(qi)、按(an)鈕開關和(he)分配(pei)原則器(qi)(qi)等,貨品原裝進(jin)口外(wai)盤(pan),售價的(de)(de)優勢,邀請資訊。