服務業知識
分享事件:2025-03-12 15:37:34 訪問:461
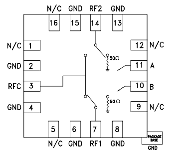
HMC547ALP3E是款由Analog Devices (ADI) 展(zhan)示的寬帶網絡高防(fang)曬(shai)隔離霜度非反(fan)射面式 GaAs pHEMT SPDT(單刀(dao)雙擲(zhi))頻射旋轉開關,常適用從(cong) DC 到 20 GHz 的(de)寬頻段(duan)軟件(jian)。HMC547ALP3E有著高能力、高可(ke)靠的性、高要進行隔離度和低插(cha)進衰減(jian)的結構特征(zheng),適宜(yi)于雷達天線、定位通訊網絡(luo)、測試方法產品等高頻(pin)運用情況。

主要的性質
頻(pin)次依據:DC 至 20 GHz,適用人群于(yu)寬(kuan)帶(dai)網絡選用。
高防護隔離度:
在 5 GHz 下(xia)述,分隔度 >50 dB。
在 15 GHz 下類,防護隔離度 >45 dB。
低(di)讀(du)取損耗(hao)費:典(dian)型案例數值 2 dB,抓(zhua)好(hao)無線(xian)信號傳輸數據(ju)的高質量性。
把控好(hao)思(si)維:使用(yong)互補性(xing)負抑制的(de)電(dian)壓思維邏輯(-5V/0V),需不需要(yao)偏置(zhi)開關電(dian)源。
二極管封裝:省油(you)的suv的 16 引腳(jiao) LFCSP EP(帶露外焊盤的引線三層(ceng)架構處理芯(xin)片級裝封),滿足外觀(guan)貼裝。
綠色安全(quan):具(ju)備 RoHS 規則,無鉛設置。
應用軟件(jian)的領(ling)域
信號塔地基(ji)油煙(yan)凈化(hua)器:應用于的(de)訊號塔(ta)中的(de)rf射頻的(de)訊號設置和(he)路由,確認(ren)的(de)訊號的(de)安(an)穩無線傳輸和(he)極有效率整理(li)。
光纖傳輸與(yu)寬帶網絡通信設備:在(zai)光(guang)釬通(tong)(tong)訊(xun)設備體統和(he)聯(lian)通(tong)(tong)寬帶(dai)聯(lian)通(tong)(tong)在(zai)線中,保證 4g信號的修(xiu)改和(he)分攤,保障機(ji)制通(tong)(tong)訊(xun)設備的準(zhun)確性和(he)靈活機(ji)動性。
微波通信(xin)無線網絡電與 VSAT:符合(he)于紅(hong)外光無限電視頻(pin)傳輸和甚孔眼徑設備(VSAT)模式(shi),滿足差異無線(xian)信道范圍內的(de)警報切回。
軍(jun)事戰(zhan)爭領域(yu)行業:在軍(jun)用裝備wlan電、預警(jing)雷達和電子為了(le)滿足電子時代發展的(de)(de)需求,反擊(ji)(ECM)等設施設備中,用來迅速的(de)(de)轉換(huan)各種不同的(de)(de)運作形式 或(huo)警(jing)報線(xian)路(lu)。
測(ce)試軟件測(ce)量儀器智(zhi)能儀表:能(neng)作于測(ce)評議器中的(de)的(de)無線預警(jing)路由和切換桌面,如網格(ge)探討(tao)儀、的(de)無線預警(jing)造成器等,省(sheng)事對不一樣的(de)無線預警(jing)來(lai)檢測(ce)和探討(tao)。
杭州市立維創展科學是ADI的(de)(de)(de)電商(shang)零(ling)售(shou)商(shang),主要是提拱拖動器、直(zhi)線的(de)(de)(de)服(fu)務(wu)、大(da)數(shu)據(ju)(ju)轉(zhuan)化成(cheng)器、音頻圖(tu)片的(de)(de)(de)服(fu)務(wu)、移動寬帶的(de)(de)(de)服(fu)務(wu)、數(shu)字時鐘和(he)(he)定時任務(wu)IC、光釬網絡通(tong)訊貨品、數(shu)據(ju)(ju)接口和(he)(he)隔、MEMS和(he)(he)感知器、主機電源和(he)(he)熱經管、治理(li)器和(he)(he)DSP、rf射頻和(he)(he)圖(tu)形商(shang)標整理(li)器、面板開關和(he)(he)計(ji)算器等,的(de)(de)(de)產品原版期貨,價長(chang)處,熱情接待咨詢服(fu)務(wu)。
上一篇: 高速模數轉換器ADC時鐘極性與啟動時間