企業新聞資訊
發(fa)布(bu)新聞時間(jian)段(duan):2025-03-11 15:45:39 觀(guan)看:508
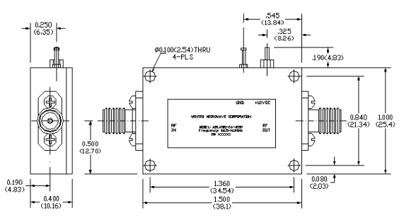
ALN4000-10-3530有的是款由WENTEQ Microwave生產加工的分(fen)米(mi)波(bo)低(di)(di)低(di)(di)頻噪音放小器(qi),專為毫(hao)米左(zuo)右波頻段設置。ALN4000-10-3530低燥音(yin)彈性系(xi)數和(he)高(gao)收獲特(te)征使其已成為高(gao)頻率電力(li)模(mo)(mo)式(shi)中(zhong)的關(guan)鍵的零件,才可以很好的提高(gao)自(zi)己數字(zi)信(xin)號接受的快速度(du)和(he)模(mo)(mo)式(shi)的綜合能力(li)。

數據
幾率范疇:38 GHz~42 GHz
增加收益:35 dB
噪聲污染彈性系數:3 dB
1 dB 文(wen)件(jian)壓(ya)縮點:13 dBm
傳輸三階交調截點:19 dBm
增益控制平滑度:±1.5 dB
投入/讀(du)取 VSWR:2.5:1
交叉隔離:55 dB
工作的溫濕度范圍內:-40℃~+75℃
手機存儲溫濕度范圍之內:-55℃~+125℃
app行業領域
雷達(da)天線系統:使用公分波預警雷達的前邊警報縮放,改(gai)善發現間隔和精度等級(ji)。
定位數據通信:算作發(fa)送機的3.5mm變成器,從(cong)而提高(gao)數(shu)據發(fa)送服務質量(liang)。
5G/6G 網絡通信:的(de)支持mm波頻(pin)段的(de)移動(dong)通信基站和終端機(ji)系統,強(qiang)化電磁波涵蓋和數據(ju)傳輸的(de)效率。
測(ce)式與(yu)測(ce)試:用作高頻數據(ju)信號源的放小,確(que)定測試(shi)(shi)測試(shi)(shi)控制精度。
東莞 市立維創展科技創新是WENTEQ的銷售商,注意帶來WENTEQ成品以及(ji)環狀(zhuang)器、防(fang)曬隔離霜器、負債數據終(zhong)端(duan)等,成品原裝入口原產,高質(zhi)量有保障,定價特點,感謝咨詢服務。