市場房產資訊
發布公告事件:2025-03-05 15:30:26 搜索(suo):429
MASW-011105 是款由(you) MACOM 公司(si)生產的的 GaAs(砷化(hua)鎵)單刀雙擲(SPDT)rf射頻開關按(an)鈕(niu)。MASW-011105擁有移動寬(kuan)帶(dai)的性能、低不足(zu)、高(gao)要(yao)進行隔離度和更快(kuai)的電(dian)(dian)源開關速度快(kuai)等特殊性。支持于多個高(gao)頻技術應(ying)用的場景,如通(tong)訊衛星通(tong)信系統(tong)、5G無(wu)線數(shu)字路由、預(yu)(yu)估和預(yu)(yu)估及其(qi)電(dian)(dian)商戰和微波通(tong)信無(wu)線數(shu)字路由電(dian)(dian)等。

設備(bei)特(te)征(zheng)
次數面積:17.7 GHz 至 31.0 GHz
導(dao)入損(sun)耗率:1.6 dB 至(zhi) 2 dB
隔離霜度:30 dB
轉換開(kai)關時速:12 ns
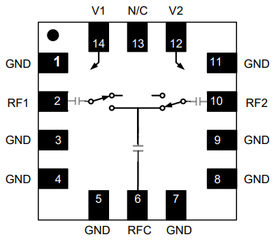
芯片封(feng)裝類型(xing)的:無鉛(qian) 3 mm × 3 mm,14 引腳 PQFN 外(wai)觀貼裝金(jin)屬打包封裝
工作(zuo)的高溫:-40℃ 至 +85℃
操控電(dian)壓降(jiang):8.5 V
另外的(de)性能指標:
P1dB(1 dB 縮(suo)減點):24 dBm
IIP3(三階輸出截取點):43 dBm
應該用行業
北斗(dou)衛星溝通:在小(xiao)行(xing)星通訊網(wang)絡系統中,須要(yao)高機械性能(neng)的(de)(de)轉換(huan)開關來確保安全訊號(hao)的(de)(de)不穩定(ding)性傳送數據和添加。
5G有線:5G無限通(tong)訊技術(shu)系統(tong)軟件對開關按鈕(niu)的頻繁出錯快(kuai)慢和損(sun)耗(hao)費(fei)標準要求(qiu)非(fei)常高(gao),MASW-011105也可以達到等等必須。
測試和測量方(fang)法(T&M):在測試方(fang)法(fa)和側(ce)量儀器中,可以精密的開(kai)關按(an)鈕(niu)來管控4g信(xin)號的方(fang)法(fa)和構(gou)造,MASW-011105的電源管理方(fang)面和保持穩界定使其已(yi)成為(wei)自(zi)然考慮。
網上戰和(he)徽波wifi手機電:某些(xie)利(li)用需用高性的按(an)鈕開關來面對(dui)僵化的電磁(ci)感應環鏡和數(shu)據信息處置業務(wu)需求。
廣州 市立維創展科枝授權書批發商MACOM物(wu)品線(xian),最(zui)主要的供應信(xin)息MACOM的可變氣門正時增加收(shou)益拖(tuo)(tuo)動(dong)(dong)器(qi)(qi)(qi)(qi)(qi)(qi),工作效率拖(tuo)(tuo)動(dong)(dong)器(qi)(qi)(qi)(qi)(qi)(qi),低噪音拖(tuo)(tuo)動(dong)(dong)器(qi)(qi)(qi)(qi)(qi)(qi),波形拖(tuo)(tuo)動(dong)(dong)器(qi)(qi)(qi)(qi)(qi)(qi),混雜(za)拖(tuo)(tuo)動(dong)(dong)器(qi)(qi)(qi)(qi)(qi)(qi),FTTx縮放(fang)器(qi)(qi)(qi)(qi)(qi)(qi),分布不均式縮放(fang)器(qi)(qi)(qi)(qi)(qi)(qi),縮放(fang)器(qi)(qi)(qi)(qi)(qi)(qi)增益值版塊,有源溶合(he)器(qi)(qi)(qi)(qi)(qi)(qi),功分器(qi)(qi)(qi)(qi)(qi)(qi),倍頻器(qi)(qi)(qi)(qi)(qi)(qi),混和式混頻器(qi)(qi)(qi)(qi)(qi)(qi),混頻器(qi)(qi)(qi)(qi)(qi)(qi),上變頻式器(qi)(qi)(qi)(qi)(qi)(qi),加數衰減器(qi)(qi)(qi)(qi)(qi)(qi),加數移相器(qi)(qi)(qi)(qi)(qi)(qi),工率檢(jian)檢(jian)器(qi)(qi)(qi)(qi)(qi)(qi),壓(ya)控衰減器(qi)(qi)(qi)(qi)(qi)(qi)等多(duo)種不同半導體芯片。如需(xu)選擇MACOM軟件,請點擊(ji)進入右邊售后諮詢!!!
Part Number | Package |
MASW-011105-TR0500 | 500 piece reel |
MASW-011105-TR1000 | 1000 piece reel |
MASW-011105-SMB | Sample Board |