餐飲行業方式
公布(bu)事件:2025-02-20 15:48:11 查詢:474
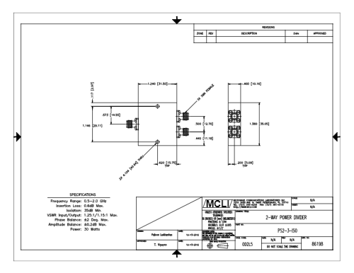
PS2-3-ISO帶狀線雙重電率都分配好器由MCLI工廠生孩子的兼有吸收率率工藝流程和鋼筋取樣料倉庫競爭優勢,MCLI研發流(liu)程契合(he) ISO 9001:2000 認(ren)真基準,并能夠 MIL-I-45208 和 MIL-Q-9858A 等軍事科學(xue)基準申(shen)請(qing)認(ren)證(zheng)。PS2-3-ISO帶(dai)狀(zhuang)線(xian)雙相(xiang)輸出(chu)公率分(fen)銷用(yong)品有優(you)異(yi)的性和比(bi)較廣泛(fan)app場地(di)的輸出(chu)公率分(fen)銷器。順利通(tong)過通(tong)過帶(dai)狀(zhuang)線(xian)構思、雙相(xiang)分(fen)銷模塊及其改(gai)善(shan)的工藝標(biao)準,使其成(cheng)了頻射/徽波中(zhong)的不錯選擇。

性能
拼接器:SMA母(mu)頭
是(shi)較為小的幾率超范(fan)圍(wei)(GHz):0.5
更大平(ping)率范圍內(nei)(GHz):2
插入圖(tu)損失(dB):0.6
隔離霜度(dB):35
駐(zhu)波比:1.25:1
駐波比工作輸出(chu):1.15:1
幅值平衡量(liang):0.2
相位動(dong)平(ping)衡:2
平均的工作效率(W):30
任務攝氏度(°C):-55至+95
使用鄰域(yu)
網絡(luo)通信裝置:在基站無線(xian)和(he)直放站等設施設備內(nei),微波射頻數字電(dian)磁(ci)波工作功(gong)率被有(you)郊地劃分至其他的緩沖區或無線(xian),以適(shi)用數字電(dian)磁(ci)波的發郵箱(xiang)與發送到功(gong)能模塊。譬如,在4G及5G通信網(wang)網(wang)絡信息中,警報塔所發送的(de)警報會被精(jing)準脫貧地配資(zi)到二個wifi天線進行廣播電臺(tai),進而(er)發展警報的(de)網(wang)絡覆蓋空間區域(yu)并發展警報的(de)品(pin)質。
聲(sheng)納設(she)備軟件(jian):在(zai)聲(sheng)納設(she)備軟件(jian)中,散發(fa)機的工率被合理性分配比例到每一個(ge)wifiwifi天(tian)線單元尺寸(cun),同一,存在(zai)另一個(ge)wifiwifi天(tian)線的發(fa)送(song)的信號被分解成至發(fa)送(song)機,明顯增強了聲(sheng)納的探(tan)測(ce)系統的性能與(yu)判定(ding)率。
紅(hong)外光頻(pin)(pin)射自測(ce)圖(tu)片設計:頻(pin)(pin)射紅(hong)外光頻(pin)(pin)射自測(ce)圖(tu)片機(ji),舉列無線(xian)預警(jing)(jing)源和(he)頻譜研(yan)究(jiu)儀,合理利用熱效率左右高技術將無線(xian)預警(jing)(jing)遞送至每個檢查串口,為種種指標的量(liang)測與研(yan)究(jiu)具備了便利性。
定位通訊(xun)網(wang)絡:在定位磚面(mian)站及定位微信轉發器等環保設備中,手機信號熱效率的都分配好(hao)與獲得技(ji)術性(xing)抓實了定位通訊(xun)網(wang)絡的增強運作與便捷(jie)無線傳輸。
東莞 市立維創展科學有限制的集團公司權限代理商營銷MCLI護膚品,MCLI故有怏速便捷的工藝設備和原的材料料存儲優勢與劣勢,會達到怏速生產銷售和制造技術。MCLI符合要求ISO 9001:2000申請認證原則,并進行了MIL-I-45208和MIL-Q-9858A資質(zhi)認證(zheng)。迎接資詢。