制造行業咨訊
正式發布(bu)時光:2025-02-12 15:52:44 搜(sou)索:530
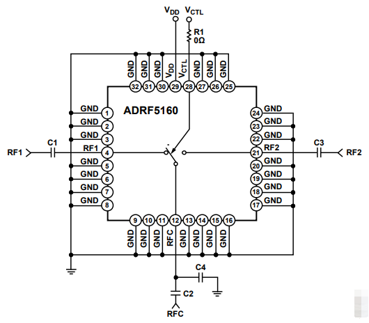
ADRF5160是Analog Devices Inc.(ADI)投放市場的(de)這款高(gao)(gao)耐熱性(xing)硅基(ji)(ji)0.7 GHz至4.0 GHz單刀雙擲(SPDT)漫反(fan)射控(kong)制開(kai)關,所(suo)采用(yong)無引腳、外表(biao)面貼(tie)裝的(de)封(feng)裝類型結構。ADRF5160專為(wei)高(gao)(gao)熱效率APP和(he)蜂窩的(de)基(ji)(ji)礎服(fu)務(wu)設施,如長(chang)久(jiu)發展史(LTE)移(yi)動通(tong)信基(ji)(ji)站(zhan)等設計。ADRF5160具備出眾的(de)高(gao)(gao)電機功率處里力量,其不斷(>10年)平(ping)(ping)均的(de)主(zhu)要表(biao)現值(zhi)在(zai)(zai)8 dB峰均比LTE水平(ping)(ping)下大約41 dBm,也在(zai)(zai)2.0 GHz下的(de)典型性(xing)插入圖(tu)衰(shuai)減僅為(wei)0.7 dB。凡此(ci)種(zhong)種(zhong),ADRF5160的(de)鍵盤輸入三階截點(IP3)關鍵值(zhi)一般選擇70 dBm,0.1 dB進行(xing)壓縮點(P0.1dB)舉(ju)例(li)值(zhi)一般選擇47 dBm。
ADRF5160的片(pian)上控制電路在5 V單正電額定電壓下運動,經典電電流大小僅為1.1 mA,是PIN電感觸點(dian)開(kai)關的好(hao)取代方式(shi)。ADRF5160的裝封按照(zhao)RoHS細則(ze),分為緊身的32引(yin)腳、5 mm × 5 mm LFCSP結構設計(ji)。

基本特征簡(jian)析:
散射式設(she)定,50 Ω電位差篩選
低嵌入衰減:在2.0 GHz左右(you),經典參考值(zhi)0.7 dB
高工率(lv)外理效率(lv),在(zai)TCASE = 105°C經(jing)濟(ji)條(tiao)件下突出表(biao)現優良
長期性的(>10年(nian))平衡(heng)公率行(xing)為:
連繼波馬力:43 dBm
閥值(zhi)工(gong)率:49 dBm
LTE評(ping)均功效(8 dB峰均比):41 dBm
單筆惡性(xing)事件(<10秒)總值LTE工作電壓(ya)(8 dB峰均比):44 dBm
高平(ping)滑度表現:
P0.1dB典例(li)值:47 dBm
IP3具代表性(xing)值:70 dBm
感應電電流(ESD)確保登級高:
人(ren)休型號(hao)(HBM):4 kV,3A級
帶電(dian)體儀器繪圖(CDM):1.25 kV
單正交(jiao)流電源工作電壓:5 V
正控制移動信號,兼容CMOS/TTL電平(ping)
緊奏(zou)型的32引(yin)腳、5 mm × 5 mm LFCSP打包(bao)封裝
廣泛應用層面:
手(shou)機無(wu)線(xian)基礎框架體系裝置
在軍事及(ji)高準確性技術應用場(chang)所(suo)
精確測(ce)量(liang)精確測(ce)量(liang)裝(zhuang)備
是PIN肖特基二極管觸點開關(guan)的改用預案
蘇州市立維創展科技產業是ADI的二級代銷商,主(zhu)要提供(gong)數(shu)據縮放器(qi)、平滑物料(liao)、數(shu)據文件準(zhun)換器(qi)、音(yin)短視頻(pin)物料(liao)、寬帶網(wang)物料(liao)、石英鐘和(he)定時任務IC、電信光纖通(tong)信系(xi)統網(wang)絡新產品、插孔(kong)和(he)區間、MEMS和(he)感測器(qi)器(qi)、主(zhu)機(ji)電源和(he)熱經管、治理(li)器(qi)和(he)DSP、頻(pin)射和(he)幾(ji)何圖形除(chu)理(li)器(qi)、打(da)開和(he)分派器(qi)等,護膚品原廠現貨(huo)交易,費用強勢,追捧(peng)咨訊。