制造業咨訊
發布的時段:2025-02-10 15:58:30 打開網頁:623
ALN3750-13-3335公厘波低背景噪聲(sheng)調(diao)大器是公厘波微(wei)波通信(xin)控制系統中(zhong)的基本(ben)模塊,專為低頻訊號調(diao)大而開發(fa),通常使用做(zuo)5G及將來6G電(dian)力(li)、通訊(xun)衛星電(dian)力(li)已經預(yu)警雷達設計等mm毫米波頻段(duan)應該用。
特點:
速度(du)範圍:ALN3750-13-3335在35.0至40.0GHz頻段內供應低躁音、高增益控制的操作(zuo)的效能。
維持性與匹配好:應(ying)有(you)低(di)額定電壓駐波比(VSWR),以保證(zheng)無前提條件保持穩定,發展系統的(de)整體化(hua)能。
省(sheng)油的(de)suv區域經濟:球體積小而(er),制(zhi)造費效用高,適合結合于(yu)各項緊(jin)奏型型通信(xin)網絡(luo)機器設備中。
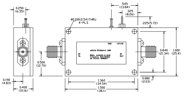
接口(kou)規(gui)則(ze)規(gui)則(ze):按(an)照K型母接(jie)器做為填寫/讀(du)取接(jie)頭,有助與某些零部件接(jie)觸。
電源開關(guan)需要量:僅需某一交流電電原線(xian)供(gong)電設備,內設電阻的調(diao)整器,抽(chou)象化(hua)電原線(xian)管(guan)理方(fang)法(fa)。
攝氏度改變(bian)性強(qiang):業務氣溫使用范圍寬(-40°C至+75°C),補充溫差(cha)的范圍(-55°C至+85°C),不(bu)適應種生活環境水(shui)平。
能力:
超底燥聲指(zhi)數:ALN3750-13-3335借助優秀的半導體(ti)材(cai)料工(gong)藝流(liu)程和協調的電源線(xian)路來設計(ji),保證了(le)過低(di)的噪(zao)音(yin)污(wu)染指數公式,很好(hao)的控制系統噪(zao)音(yin)污(wu)染,偏(pian)態提(ti)高了(le)4g信(xin)號(hao)明了(le)度。
高收獲(huo)基(ji)本特性:為充分(fen)滿(man)足厘米波通信技術對數據硬度的苛(ke)求想要,ALN3750-13-3335帶來(lai)了高增益(yi)值(zhi)讀取(qu),抓好無(wu)線信號在(zai)傳導路由協議中恢復(fu)夠(gou)的撓度,減小衰(shuai)減。
經驗豐富的安穩性:為盡量避免自激(ji)自激(ji)振蕩和網絡信(xin)號輪(lun)廓,ALN3750-13-3335適用(yong)科(ke)學創新的(de)發展結構設計或(huo)安全性促進能力,為了確保在豪米波頻段內安全崗(gang)位。
鄭州市立維創展科技信息是WENTEQ的代理(li)商(shang)商(shang),主要是提高WENTEQ食品(pin)還有環狀器、隔離器、裝載(zai)末(mo)端等,食品(pin)原版(ban)國外(wai)進口,效(xiao)果(guo)保障,價(jia)錢(qian)優(you)點,歡(huan)迎圖(tu)片咨詢服務。

Parameters | Specifications | |||
Minimum | Typical | Maximum | ||
Frequency Range | GHz | 35.0 | 40.0 | |
Nominal Gain @25°C base plate temperature | dB | 30.0 | 33.0 | 36.0 |
Noise Figure | dB | 3.5 | 4.0 | |
P-1dB Compression Point | dBm | 12.0 | 15.0 | |
Output IP3 | dBm | 18.0 | 22.0 | |
Gain flatness | dB | +/-1.5 | +/-2.0 | |
Gain Variation over Temperature Range | dB | +/-1.5 | +/-2.0 | |
Reverse Isolation | dB | 55.0 | ||
Input VSWR | - | 1.8:1 | 2.5:1 | |
Output VSWR | - | 1.8:1 | 2.5:1 | |
Spurious | dBc | -70.0 | ||
Operating Temperature | °C | -40.0 | +75.0 | |
Survival Temperature | °C | -45.0 | +125.0 | |
DC Power Supply Voltage | V | +8.0 | +10.0 | +12.0 |
DC Power Supply Current | mA | 150.0 | 230.0 | 280.0 |
RF In/Out connectors | k-Female | |||
DC Input Connector | Feedthru Pin | |||
Size | inches | 1.50×1.0×0.4 | ||