服務行業資迅
正式發布(bu)日子:2025-01-09 15:36:48 訪問 :802
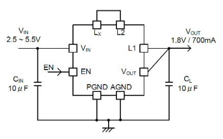
XCL244產品(pin)系列(lie)是電磁線圈和操(cao)縱IC成一體型的超中大型,薄型型(2.25mm x 1.5mm,h=0.75mm)減壓(ya)DC/DC轉(zhuan)移器。
XCL244系列作品降血壓DC/DC轉移器(qi)只需(xu)在外鏈元器(qi)上增高(gao)2個衛浴陶瓷電(dian)感器(qi)就能創(chuang)立電(dian)電(dian)源配電(dian)線路。內裝(zhuang)置電(dian)感線圈SEO了配電(dian)線路板(ban)頁面布局,并最大(da)的殘(can)留量極大(da)減(jian)少了因元器(qi)放置和(he)接線兩(liang)端而影響的故障問題(ti)和(he)解決。輸入輸出(chu)電(dian)壓電(dian)流才可(ke)以在(zai)0.8V至3.6V范圍內內以0.05V間(jian)距實施相對應設定。
HiSAT-COT掌握的(de)繞(rao)城高速瞬(shun)態運行的(de)技術(shu)并(bing)能在負載電(dian)阻浮(fu)動一(yi)年后將輸出的(de)工(gong)作電(dian)壓降為(wei)(wei)比較低,尤為(wei)(wei)適(shi)合(he)FPGA和需求(qiu)輸出的(de)線電(dian)壓安全(quan)經濟性(xing)分(fen)析的(de)設施(shi)等瞬(shun)時根據下跌比較大(da)的(de)適(shi)用(yong)。
(*)HiSAT-COT是TOREX為DC/DC轉化器的(de)產(chan)品而獨自一(yi)人(ren)開發(fa)的(de)髙(gao)速瞬(shun)態(tai)積(ji)極響應技術設備(bei)。最選主要(yao)用于追求高精密加工和高維持度電(dian)壓(ya)(ya)降(jiang)電(dian)壓(ya)(ya)降(jiang)的(de)一(yi)體(ti)化電(dian)路板。
表現形式
錄入輸(shu)出(chu)功(gong)率范(fan)圍之內(nei):2.5V ~ 5.5V
工(gong)作輸出電(dian)壓降:0.80V ~ 1.00V (±20mV);1.05V ~ 3.60V (±2.0%);
速率范疇:3.0MHz
所在感應電流:700mA
瞬(shun)時電流(liu)耗用:25μA
速(su)率(lv):83%(VIN=3.8V,VOUT=1.8V,IOUT=400mA)
把控好方式英(ying)文:HiSAT-COT保持,PWM/PFM半(ban)自動修改;
護(hu)理形態:
熱取消
交流(liu)電受限
虛接保證
功用(yong):
軟啟用
UVLO
CL充(chong)放電
電(dian)阻器:兼容陶(tao)瓷制品電(dian)阻器
工做溫(wen)暖:-40℃~105℃
北京市立維創展科持是有限的廠家競爭優勢電商分銷TOREX交流電源電子元件(jian),很大現貨黃金庫(ku)存商品,祝賀(he)咨(zi)訊(xun)。

機型 | 內型(xing) | 的(de)輸出電(dian)阻 | 運作頻次(ci) | 裝封 |
XCL244B083D2-G | 軟重啟準(zhun)確時間(jian):0.3ms | 0.8V | 3.0MHz | USP-8B04 |
XCL244B0L3D2-G | 軟起動時段:0.3ms | 0.85V | 3.0MHz | USP-8B04 |
XCL244B093D2-G | 軟(ruan)重(zhong)啟準確(que)時(shi)間:0.3ms | 0.9V | 3.0MHz | USP-8B04 |
XCL244B0M3D2-G | 軟打火期(qi)限:0.3ms | 0.95V | 3.0MHz | USP-8B04 |
XCL244B103D2-G | 軟發動時間:0.3ms | 1V | 3.0MHz | USP-8B04 |
XCL244B1A3D2-G | 軟(ruan)發動時間段:0.3ms | 1.05V | 3.0MHz | USP-8B04 |
XCL244B113D2-G | 軟起(qi)動服務器時:0.3ms | 1.1V | 3.0MHz | USP-8B04 |
XCL244B1B3D2-G | 軟再啟動期限:0.3ms | 1.15V | 3.0MHz | USP-8B04 |
XCL244B123D2-G | 軟通電日(ri)期:0.3ms | 1.2V | 3.0MHz | USP-8B04 |
XCL244B1C3D2-G | 軟(ruan)重新啟動時間段:0.3ms | 1.25V | 3.0MHz | USP-8B04 |
XCL244B133D2-G | 軟無法(fa)精力:0.3ms | 1.3V | 3.0MHz | USP-8B04 |
XCL244B1D3D2-G | 軟開啟精(jing)力:0.3ms | 1.35V | 3.0MHz | USP-8B04 |
XCL244B143D2-G | 軟開啟時(shi):0.3ms | 1.4V | 3.0MHz | USP-8B04 |
XCL244B1E3D2-G | 軟重新啟動的時間:0.3ms | 1.45V | 3.0MHz | USP-8B04 |
XCL244B153D2-G | 軟發(fa)動時(shi)段:0.3ms | 1.5V | 3.0MHz | USP-8B04 |
XCL244B1F3D2-G | 軟再啟動(dong)的時間:0.3ms | 1.55V | 3.0MHz | USP-8B04 |
XCL244B163D2-G | 軟起動期限:0.3ms | 1.6V | 3.0MHz | USP-8B04 |
XCL244B1H3D2-G | 軟啟動器時(shi)耗時(shi):0.3ms | 1.65V | 3.0MHz | USP-8B04 |
XCL244B173D2-G | 軟重新啟動時間:0.3ms | 1.7V | 3.0MHz | USP-8B04 |
XCL244B1K3D2-G | 軟開機啟動時光:0.3ms | 1.75V | 3.0MHz | USP-8B04 |
XCL244B183D2-G | 軟重啟的時(shi)間(jian):0.3ms | 1.8V | 3.0MHz | USP-8B04 |
XCL244B1L3D2-G | 軟重(zhong)啟時間段:0.3ms | 1.85V | 3.0MHz | USP-8B04 |
XCL244B193D2-G | 軟啟的時(shi)間:0.3ms | 1.9V | 3.0MHz | USP-8B04 |
XCL244B1M3D2-G | 軟(ruan)重新(xin)啟(qi)動時期:0.3ms | 1.95V | 3.0MHz | USP-8B04 |
XCL244B203D2-G | 軟開(kai)機(ji)啟動耗時:0.3ms | 2V | 3.0MHz | USP-8B04 |