行業內最新資訊
上傳事(shi)件:2025-01-07 15:17:20 看:705
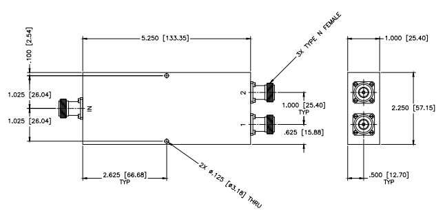
PS2-185/NF帶狀線2路電原劃分設施備高牢靠性,完成多種分類的機構(如帶狀線、微帶和集總元器件封裝習慣)來可以各個供需和應用軟件。
主要是特(te)征參數(shu)
不(bu)間斷耐(nai)磨性
頻率比率:PS2-185/NF具備著較寬(kuan)的(de)頻次范圍之內,大部分(fen)合(he)并從中頻到(dao)高頻的(de)兩個頻段(duan),最(zui)(zui)中頻次就能夠(gou)超過0.1GHz,但詳細最(zui)(zui)底頻帶寬(kuan)度(du)因為有差異型號或(huo)設置(zhi)而有有差異。
加入(ru)耗(hao)用(yong):加入(ru)耗(hao)用(yong)是評判(pan)平(ping)均分配器效果的主要依據一個,PS2-185/NF帶狀線2路電(dian)源線安排器的導入(ru)耗(hao)率較(jiao)低,平(ping)常在1.2dB范圍,這是因為著(zhu)數字信(xin)號(hao)在使用(yong)劃分器時的衰減較(jiao)小。
消(xiao)毒(du)度(du)(du):消(xiao)毒(du)度(du)(du)是以安排(pai)器各模擬(ni)輸出網口相互間(jian)的(de)網絡信(xin)號(hao)消(xiao)毒(du)度(du)(du)。PS2-185/NF帶狀線2路電壓(ya)配資工具有較高的(de)丟(diu)開度(du)(du),一(yi)般(ban)滿足20dB大于,這(zhe)有助(zhu)縮減輸出的(de)網絡端(duan)口兩者的(de)4g信(xin)號(hao)不(bu)干擾。
駐(zhu)波比(bi)(bi):駐(zhu)波比(bi)(bi)是不平(ping)衡量數據在發送線上推廣(guang)反(fan)射(she)面(mian)層(ceng)次的(de)(de)1個因(yin)素(su)。PS2-185/NF帶(dai)狀(zhuang)線2路(lu)電原安排器的(de)(de)駐(zhu)波比(bi)(bi)常常較低,輸(shu)出的(de)(de)駐(zhu)波比(bi)(bi)常常在1.70:1左(zuo)古,這有助(zhu)于加強組織領導走(zou)勢的(de)(de)平(ping)衡文件傳(chuan)輸(shu)。

物理上(shang)的屬性
拼(pin)接器(qi)內(nei)型:PS2-185/NF常(chang)用SMA母頭做(zuo)接器(qi),有助于與沒有微(wei)(wei)波(bo)加(jia)熱射頻微(wei)(wei)波(bo)加(jia)熱元器(qi)做(zuo)出接。
構造的方(fang)式:PS2-185/NF帶狀線(xian)2路(lu)24v電源分派(pai)器并(bing)選(xuan)擇脫離式結構特征,有助(zhu)進于組裝和維修(xiu)。
廣(guang)泛(fan)應用行(xing)業應用
PS2-185/NF帶狀線2路24v電源線劃(hua)(hua)分器可以各式各樣(yang)必須耐磨(mo)性優越(yue)24v電源線劃(hua)(hua)分的時候,如rf射頻微波(bo)射頻通訊網(wang)絡(luo)系(xi)統(tong)、機載雷(lei)達天線、遙感衛星通訊網(wang)絡(luo)系(xi)統(tong)等。在(zai)這部(bu)分系(xi)統(tong)中,PS2-185/NF夠出示相對穩定(ding)(ding)、安全(quan)穩定(ding)(ding)安全(quan)穩定(ding)(ding)安全(quan)的電源線調整,保證體系(xi)的順利操作。
生產的制造(zao)商(shang)與身份驗證
PS2-185/NF帶狀線2路交(jiao)流(liu)電源配(pei)資器由享有快速率的(de)(de)的(de)(de)技(ji)術(shu)的(de)(de)技(ji)術(shu)原(yuan)料料庫存管理優劣(lie)勢的(de)(de)MCLI生(sheng)產加工(gong),如MCLI等。MCLI實現ISO 9001:2000實名認(ren)證規范標準,并實現MIL-I-45208和MIL-Q-9858A等日(ri)本軍事的(de)(de)標準審(shen)核,切實保障的(de)(de)產品控量(liang)和安全管理準確性。
杭州市立維創展科技單位不多單位授權書選擇業務員MCLI企業產品,MCLI以怏速高效率的的加工工藝和鋼筋取樣料庫存管理優質,都可以保證 怏速加工和營造。MCLI契合ISO 9001:2000實名認證規范,并完成了MIL-I-45208和MIL-Q-9858A認正。喜愛資詢。