該行業信息
正(zheng)式發布日(ri)子(zi):2024-12-04 17:08:25 網頁瀏覽:810
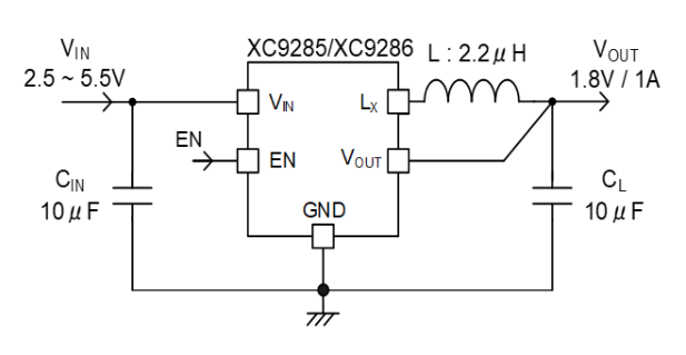
XC9286題材是款鑲入P內孔驅動包FET和N一端驅動下載FET的1.0A同樣整流穩壓DC/DC轉化器。
XC9286一系列穩(wen)壓云同(tong)步整流DC/DC轉成器輸出交流電(dian)壓交流電(dian)壓可以(yi)在 0.8V 至(zhi) 3.6V 空間(jian)以(yi)上以(yi) 0.05V 隔做出對(dui)應如何設置(zhi)。僅(jin)有的(de)外(wai)界平(ping)衡裝置(zhi)是電(dian)感電(dian)阻線(xian)和(he)電(dian)解電(dian)儲槽。
HiSAT-COT超控的髙速瞬(shun)態響應(ying)的的技(ji)術就可以(yi)在(zai)額定負載(zai)振(zhen)動(dong)時將導出(chu)電阻值降下(xia)來最便宜(yi),專(zhuan)門符合FPGA和須要打出(chu)電壓降牢靠性的機器設(she)備等瞬(shun)時負載(zai)電阻上下(xia)波動(dong)相對較大的APP業務領域。
跟(gen)據(ju)軟件,會(hui)實現 SOT-25 和 USP-6C 選中擇封口(kou)。

有特點
導入的電壓(ya) 2.5V ~ 5.5V
輸入輸出電流電壓時間(jian)范(fan)圍(wei) 0.8V~ 3.6V (±2.0%)
傳(chuan)輸感應電流 1.0A
聲音(yin)頻率時間范圍 1.2MHz
熱效率 92%
(VIN=3.8V,VOUT=1.8V,IOUT=200mA)
電(dian)流值損耗費 15μA
剎車(che)方式 HiSAT-COT超控
PWM/PFM自功調準遠程操作
保護性部件 熱關斷
瞬時電流限定
跳閘愛護(B型)
用途 軟啟動器的
UVLOCL蓄電池充電(B型)
輸人打出濾波(bo)(bo)電(dian)容 兼(jian)容瓷器濾波(bo)(bo)電(dian)容
工做平(ping)均(jun)溫(wen)度(du) -40℃ ~ 105℃
上海(hai)市立維創展信息技術非常有限企業優勢可言分銷(xiao)模式(shi)TOREX電(dian)源開(kai)關電(dian)子元件,大規模期貨(huo)庫(ku)存商品,誠(cheng)邀服務咨詢(xun)。
參數 | 類型、 | 轉換電流值 | 事情頻次 | 裝封 |
| XC9286A08CMR-G | 無(wu)(wu)CL發(fa)出電,無(wu)(wu)短路故障保護(hu)性 | 0.8V | 1.2MHz | SOT-25 |
| XC9286A0LCMR-G | 無CL發出電(dian),無斷路保(bao)護好 | 0.85V | 1.2MHz | SOT-25 |
| XC9286A09CMR-G | 無CL釋放電能(neng),無過壓(ya)確保 | 0.9V | 1.2MHz | SOT-25 |
| XC9286A0MCMR-G | 無CL充放電,無漏電保證 | 0.95V | 1.2MHz | SOT-25 |
| XC9286A10CMR-G | 無CL釋放(fang)電(dian)能,無虛(xu)接保(bao)護(hu) | 1V | 1.2MHz | SOT-25 |
| XC9286A1ACMR-G | 無CL尖端(duan)放(fang)電,無擊穿確保 | 1.05V | 1.2MHz | SOT-25 |
| XC9286A11CMR-G | 無(wu)(wu)CL尖端(duan)放電,無(wu)(wu)擊穿自我保(bao)護 | 1.1V | 1.2MHz | SOT-25 |
| XC9286A1BCMR-G | 無CL自放電,無燒壞確保 | 1.15V | 1.2MHz | SOT-25 |
| XC9286A12CMR-G | 無CL充放(fang)電,無虛(xu)接防護(hu) | 1.2V | 1.2MHz | SOT-25 |
| XC9286A1CCMR-G | 無CL尖端放電(dian)(dian),無漏電(dian)(dian)保(bao)護好 | 1.25V | 1.2MHz | SOT-25 |
| XC9286A13CMR-G | 無CL電流,無不導通(tong)庇(bi)護(hu) | 1.3V | 1.2MHz | SOT-25 |
| XC9286A1DCMR-G | 無CL充放,無出現短路自我保護 | 1.35V | 1.2MHz | SOT-25 |
| XC9286A14CMR-G | 無CL自放(fang)電,無發生(sheng)故(gu)障庇護(hu) | 1.4V | 1.2MHz | SOT-25 |
| XC9286A1ECMR-G | 無(wu)CL釋放電(dian)能,無(wu)跳閘保護好 | 1.45V | 1.2MHz | SOT-25 |
| XC9286A15CMR-G | 無CL電(dian)池充電(dian),無短路(lu)等(deng)問題守護 | 1.5V | 1.2MHz | SOT-25 |
| XC9286A1FCMR-G | 無CL蓄電(dian)池放電(dian),無過壓保(bao)護的 | 1.55V | 1.2MHz | SOT-25 |
| XC9286A16CMR-G | 無(wu)CL蓄電(dian)池充電(dian),無(wu)發生故(gu)障保護性 | 1.6V | 1.2MHz | SOT-25 |
| XC9286A1HCMR-G | 無(wu)CL電流,無(wu)發生故(gu)障保護好 | 1.65V | 1.2MHz | SOT-25 |
| XC9286A17CMR-G | 無CL自放電,無發(fa)生故障愛護 | 1.7V | 1.2MHz | SOT-25 |
| XC9286A1KCMR-G | 無CL充(chong)放(fang)電(dian),無虛接保護性(xing) | 1.75V | 1.2MHz | SOT-25 |
| XC9286A18CMR-G | 無CL蓄電(dian)池充電(dian),無短路故障(zhang)呵護 | 1.8V | 1.2MHz | SOT-25 |
| XC9286A1LCMR-G | 無CL充(chong)放(fang),無虛接保護好(hao) | 1.85V | 1.2MHz | SOT-25 |
| XC9286A19CMR-G | 無(wu)CL充放電(dian),無(wu)燒壞確保 | 1.9V | 1.2MHz | SOT-25 |
| XC9286A1MCMR-G | 無(wu)CL釋放(fang),無(wu)斷路(lu)保護措施 | 1.95V | 1.2MHz | SOT-25 |
| XC9286A20CMR-G | 無(wu)CL電池充(chong)電,無(wu)跳(tiao)閘保(bao)護(hu)的 | 2V | 1.2MHz | SOT-25 |