互聯網行業手游資訊
推出事件(jian):2024-12-04 17:07:06 預覽:682
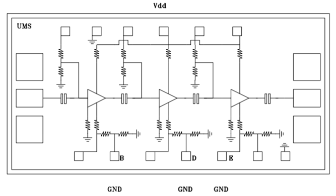
CHA2090-99F是款兩級自偏置帶寬片式低躁音縮放器。
CHA2090-99F利用規定的(de)0.25μm柵極長寬比(bi)pHEMT的(de)工(gong)藝能力,跟據材料上(shang)的(de)孔、氣橋和(he)電商束柵神行(xing)者刻能力。
CHA2090-99F以單片(pian)機芯片(pian)樣式出示。
重點功能
寬(kuan)帶(dai)網性(xing)17-24GHz
2.0dB相位燥聲
23dB增益(yi)控(kong)制,±1dB增加(jia)收益(yi)光滑度度
低直流電源(yuan)的(de)功(gong)能(neng)損(sun)耗率,55mA
封口(kou)大(da)小:2.17 x 1.27 x 0.1mm
東莞市立維(wei)創展科技開(kai)發有現機(ji)構商(shang)標授權經銷(xiao)處UMS微(wei)波通信,共性要素參數的UMS護(hu)膚(fu)品打造可信賴的現貨平臺(tai)護(hu)膚(fu)品貨存,祝(zhu)賀(he)管理咨詢(xun)。

| Reference | RF Bandwidth (GHz) | Gain | Gain Flatness | Noise Figure | P-1dB OUT | Bias | Bias | Case | |
| min | max | ||||||||
| CHA2090-99F | 17 | 24 | 23 | 1 | 2 | -10 | 55 | 4.5 | Die |