行業領域知識
發(fa)表周期:2024-12-03 17:15:10 網頁(ye)瀏(liu)覽(lan):692
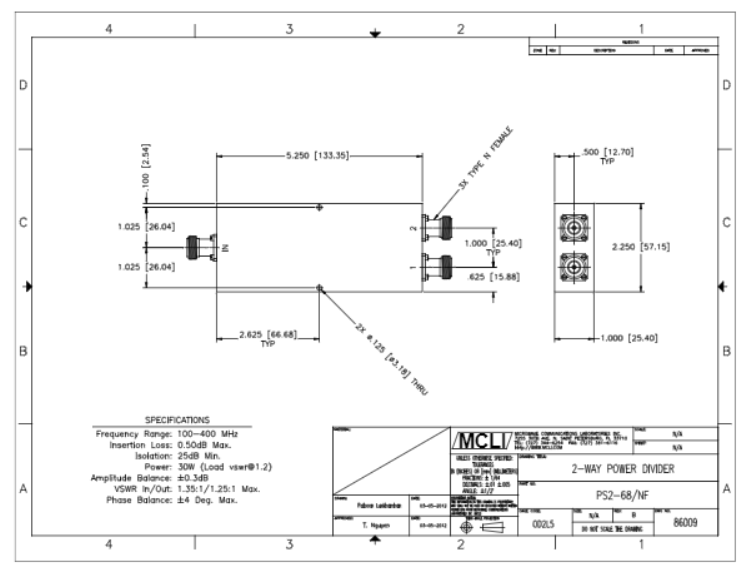
PS2-68/NF帶狀線2路電壓分派器物備優異的的規格數據,供應網上光仟平率區域、高防護隔離、低插入圖耗費、低VSWR、底頻率和高工作效率完成措施。PS2-68/NF帶狀線2路外接電源管理器夠經由不同的分類的成分,如帶狀線、微帶和集總零部件行駛來范圍廣廣泛應用來市場需求和廣泛應用。

特征英文
分離式式:雙項
連接方式器:N母頭
最低(di)的頻繁范圍圖(GHz):0.1
最底(di)規律(lv)規模(GHz):0.4
加入耗(hao)損(sun)率(dB):0.5
隔絕度(du)(dB):25
駐波(bo)比:1.35:1
駐波(bo)比輸送:1.25:1
震幅動平衡:0.3
相位均衡性:4
基線最(zui)大功(gong)率(W):30
成(cheng)都市立維(wei)創展科學(xue)技術受限我司許可(ke)代辦銷量MCLI產(chan)品設備,MCLI以它如(ru)何高(gao)效(xiao)(xiao)有效(xiao)(xiao)率的加工(gong)和原料(liao)料(liao)交(jiao)易量主(zhu)要優勢,夠變(bian)現(xian)如(ru)何高(gao)效(xiao)(xiao)工(gong)作(zuo)和生產(chan)。MCLI復合ISO 9001:2000驗證標淮(huai),并按照了(le)MIL-I-45208和MIL-Q-9858A注(zhu)冊。熱烈歡(huan)迎資詢。