制造業咨詢
發部精(jing)力:2024-11-13 17:32:14 查詢(xun):853
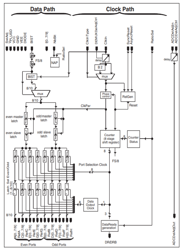
TS81102G0FS是E2V的市場上單面10位高速公路(高至1.5Gsps)多路分用器。DMUX通常情況下代替和各方面ADC直接作業,更富體地說,TS81102G0FS與e2v高速收費站ADC 8位1Gsps TS8388B、ADC 10位2Gsps TS83102G0B很好支持。
TS81102G0FS使用所經徹底檢則(ze)的(de)(de)體系結構,其中包括延期的(de)(de)控制與可以調節式效果(guo)電平(ping)。
TS81102G0FS需要讓(rang)移動(dong)用戶將高速(su)路所在參數(shu)流制作到(dao)的標(biao)手機信號操作器效率(的標(biao)FPGA)

基本結構特征
可程(cheng)序編程(cheng)DMUX總額(e):
-1:4數值濃(nong)度最高的人=750 Msps
-PD(8b/10b)<4.3/4.7W(ECL 50模擬輸出)
-1:8統計數據速度(du)高(gao)=1.5Gsps
-PD(8b/10b)<6/6.9W(ECL 50輸出精(jing)度(du))
-1:16,帶1個(ge)TS8388B或1個(ge)TS83102GO和(he)2個(ge)DMUX
多處理機系統模擬輸出模試
8/10位
.ECL差分填寫大(da)數(shu)據(ju)
.數劇做準備(bei)或數劇做準備(bei)/2鍵入掛鐘
.顯示秒表監測推遲調準
單端輸入輸出數(shu)據信息(xi):-能自(zi)由調節式共模和擺(bai)動-形式邏輯性(xing)閥值(zhi)參照輸出的
-ECL、PECL、TTL
.異步從置
一起重設
.ADC和DMUX多(duo)路通道能力APP:APP于ADC取樣實時處(chu)理居采和經濟獨(du)立網絡延時調結模(mo)組
差高考(kao)成績據準備工作打出
嵌入(ru)自動檢(jian)查(BIST)
雙(shuang)電源模塊VEE=-5V,Vcc=5V
·針對大(da)范圍地擴散耐受性力整體上(shang)設計構思(預測高于100 Krad(Si))
熱加強(qiang)CQFP196腔學習芯片封裝
選擇
上班平均氣溫:
-C級(ji):0C-V級(ji):-40℃-M級(ji):-55C·“C”、“V”和“M”級(ji)的基準(zhun)常規檢查職務級(ji)別(bie)
·ESA SCC 9000“M”級區城(cheng)需求(qiu)過程中 (通過追求(qiu))
杭州立維創展高新科技是Teledyne E2V的代理商商,通(tong)常市場機制(zhi)Teledyne E2V數模(mo)準換器和半導體行(xing)業,Teledyne E2V的軟件(jian)這個(ge)領域其中(zhong)包(bao)括數據通(tong)信、手動(dong)化、表明、醫療(liao)保健、節(jie)能減排等。的競爭優勢,迎接服務(wu)咨詢。