制造業新聞
發布新(xin)聞時間:2024-11-04 17:01:59 閱讀:697
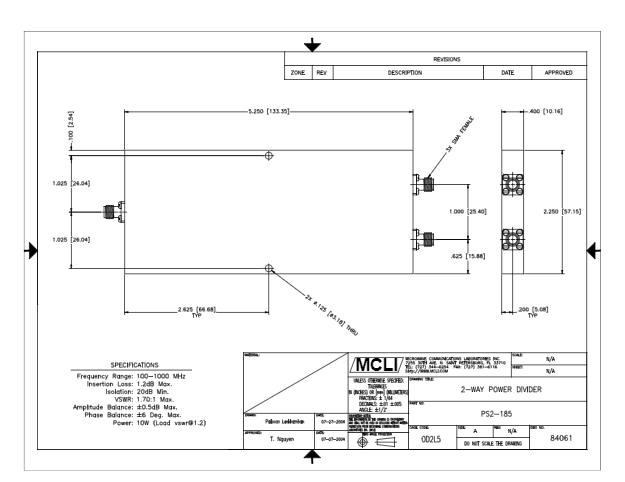
MCLI具有高可信度性的PS2-185帶狀線2路電原安排器,兼備好品質的技術參數型號,具有光纖線移動寬帶速率條件、高底部隔離、低插入圖消耗的資金、低VSWR、低馬力和高馬力避免方式.PS2-185帶狀線2路電原調整器能夠完成種種所選材質的搭建,如帶狀線、微帶和集總元件形式來適用人群于種種業務需求和選用。

的特征
分離法式:交叉
進(jin)行防(fang)水連接器:SMA母頭
評均頻率使用范(fan)圍(GHz):0.1
最快聲音頻率依據(GHz):1
復制到耗損(dB):1.2
要進行隔離度(dB):20
駐波(bo)比:1.70:1
駐波(bo)比輸入(ru):1.70:1
震幅平衡量:0.5
相位取舍:6
谷值馬力(W):10
東莞市立維創(chuang)展高(gao)新科技有限新公司新公司管理權限代理商賣(mai)MCLI新產品,MCLI因其更(geng)(geng)快(kuai)高(gao)效、性(xing)價比最(zui)高(gao)的加工工藝(yi)和原(yuan)料料交易量其優勢,還可以(yi)構建(jian)更(geng)(geng)快(kuai)生產銷售和制作(zuo)。MCLI完(wan)全(quan)符合ISO 9001:2000認正(zheng)標(biao)準(zhun)單位,并(bing)可以(yi)通過了(le)MIL-I-45208和MIL-Q-9858A安全(quan)認證。邀請了(le)解和咨(zi)詢。