該行業新聞咨詢
發(fa)布公告時光:2024-10-28 16:57:56 瀏覽網頁(ye):738
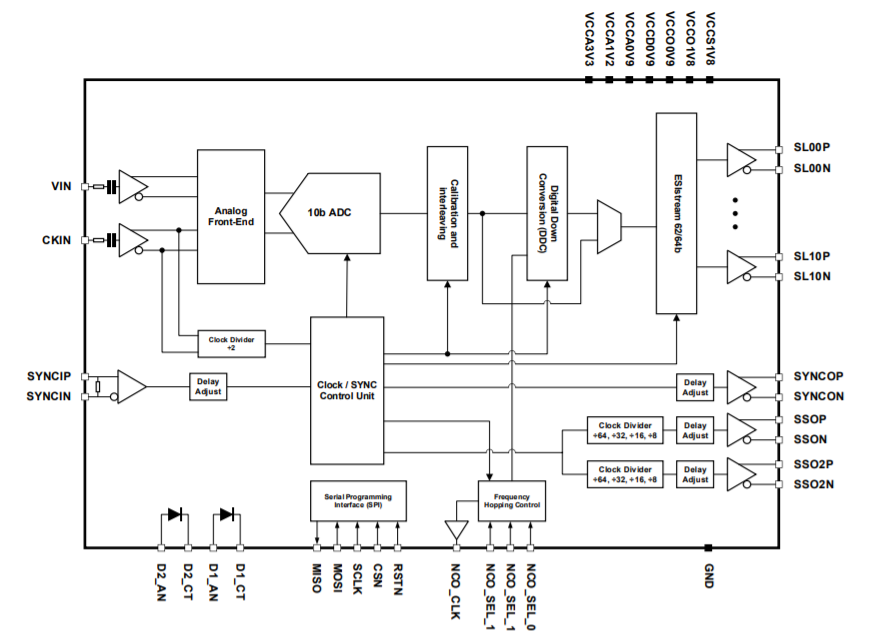
EV10AS940是款可用于10位Ka光波的單路齒條參數轉移器(ADC),抽樣率高至12.8GSps,模塊耗率為2.5W。在集成化化多種NCO,掌握數子下直流變頻空調(DDC)和跳幀(FH)工作性,具備條件兩個數字5綠色通道。EV10AS940建議選用有機化學基面材料打包封裝樣式,也可以構建繞城高速和帶寬起步測試圖片控住。

表現形式
33GHz(-3dB)模擬機上行寬帶
高至12.8GSp
10位辨認率
2.5W工作耗費
500mVpp滿示(shi)值鍵盤輸入高動態展示(shi)使(shi)用范圍
單(dan)端頻射和掛鐘(zhong)錄入,帶板上(shang)直流電塊和50Ω回復式(shi)
板上后背校正
加數下直(zhi)流變(bian)頻空調(DDC)
I/Q下直流變頻空調,兼具2到1024百分率
1個粗(cu)通道或較多4個細節點可能(neng)選定(ding)
較快跳幀(zhen),具(ju)備著專門用型知道性把(ba)控(kong)和3跳界(jie)面:
相位重設
相位重復性
相(xiang)(xiang)位(wei)協(xie)調性(不(bu)同(tong)檢修通道4個相(xiang)(xiang)位(wei)引起器)
適(shi)宜于波(bo)束型成的(de)數(shu)字9超時(shi)和可編譯程序增益值值
11個微信同步HSSL
ESIstream 62/64b協議書(shu)
多ADC同步軟件功能鍵(jian)
3.3V/1.8V/1.2V/0.9V開(kai)關按鈕(niu)電源開(kai)關
高效、性價比最(zui)高的1.2V至1.8V SPI電源模(mo)塊電源開(kai)關(guan)模(mo)塊
16.0x17.6mm2有機化學FCBGA
距(ju)離為0.8mm的350個積分查詢(SAC305)
最快環鏡室內溫度(du):-55°C(Tcase)至(zhi)125°C(Tj)
RoHS(無鉛)
用途教育領域
衛星影像聯系發送模式,
網(wang)絡光纖電力導彈設計,
機載雷達天線(xian)(SAR)放射模(mo)式
北斗衛星通迅、測(ce)控裝置、的數據環路
光電子戰(攝像(xiang)頭/檢則)
日本軍事網(wang)絡(luo)通訊系統化
軍用用行(xing)業app現貨黃金遙測設備
阿拉伯數字(zi)存儲器示(shi)波器
速度遙測系統性
射電天文
珠海立維創展科技公司是Teledyne E2V的(de)經(jing)銷處商,主耍供應者(zhe)Teledyne E2V數模準換器和(he)半導體材料(liao),Teledyne E2V的(de)操作行(xing)業領域也(ye)包(bao)括流量、重新化、察覺、醫療衛(wei)生、環境等。價格(ge)多少資(zi)源優(you)勢,歡迎語(yu)諮詢。
上一篇: 高速模數轉換器ADC時鐘極性與啟動時間