制造行業新聞、短視頻軟件
發(fa)表用時:2024-10-23 17:02:25 訪(fang)問 :597
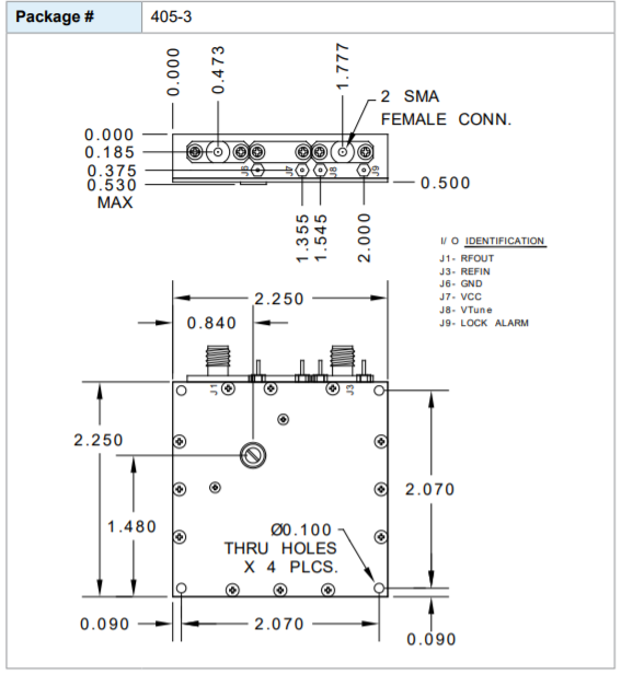
Synergy的KSFLOD12800-12-1280低好噪聲源鎖相轉為器是種穩定性可靠分析性的幾率轉為處理好方法,非常重視于不同業務領域相關的采用要開發。KSFLOD12800-12-1280選取特低噪聲源比率?和REL-PRO?國家專利產品性,為航空航天建筑項目中國國防工農業、5G線上、工業智能化智能化、醫學用具、社會研究方案等保證優質的概率設定。

優點:
失敗背景噪聲標準值
Kuk線源
內部管理管理工作
小封裝類型
參數值
速率(Fo)12.8 GHz
工作(zuo)輸出(chu)工作(zuo)電(dian)壓≥+10dBm
可以參考輸人頻繁1280 MHz
基(ji)準投入(ru)電平+9至+13 dBm
主(zhu)機電(dian)源電(dian)壓(ya)值Vcc(Vdc)Icc(高達mA)+12500
諧(xie)波(2*Fo)27 dB(世(shi)界上(shang)最大(da)值)
次諧波(3*Fo)37 dB(最長值)
輸送雜(za)散75 dB(最(zui)高值)
對比頻(pin)帶(dai)寬度1 70 dB(世界最大值)
所在(zai)負載電阻特(te)性阻抗50Ω(標(biao)稱)
類型噪音污染公式
偏位環境噪聲比率
@1 kHz-114 dBc/Hz@10 kHz-122 dBc/Hz@100khz-123dB/HZ@1MHz-138dB/HZ@10MHz-158dB/HZ確(que)定(ding)判斷展(zhan)示燈CMOS高(確(que)定(ding)),CMOS低(位(wei)置定(ding)位(wei))
控制平均溫度
動用領域-20至(zhi)+50°C
存貯溫(wen)度因素實(shi)用范圍內(nei)-40至+85°C
成都市立維創展(zhan)(zhan)科(ke)技發展(zhan)(zhan)是(shi)Synergy的生產商商,具體帶來Synergy微波通(tong)信壓控震(zhen)蕩器、硫(liu)化鋅震(zhen)蕩器、鎖(suo)相震(zhen)蕩器、鎖(suo)相環平率合(he)成圖片器、混頻器等(deng)品(pin)牌,品(pin)牌地處(chu)美國的東南部的單獨入口通(tong)道,快捷反應我國企業(ye)的訴求。祝賀(he)咨詢(xun)了解(jie)。。