互聯網行業方式
分享周期:2024-10-23 16:59:39 觀看:589
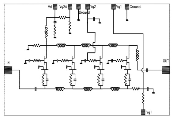
UMS的CHA3023-99F是(shi)款用共源共柵FET的導波放(fang)小器。為常見操作需要量(liang)裝(zhuang)修設計(ji)。
CHA3023-99F選購0.25μm柵極長度的pHEMT工藝(yi)設計(ji)新技術,給出橫(heng)穿基材的孔主氣橋,同時以裸(luo)片形勢(shi)給予。

主要是表現形式
帶寬性能(neng)方(fang)面(mian):1-18GHz
14dB增益值值
3dB主要低(di)相位噪聲(sheng)源
0.7dB增益控制(zhi)值平展度
封(feng)裝形式尺寸:2.15 X 1.42 X 0.10mm
東(dong)莞(guan)市立(li)維創展科技(ji)信息不多子(zi)公司許可(ke)經銷(xiao)處UMS徽波,造成這部分主要參數的(de)UMS的(de)物品能提供上等(deng)的(de)期貨的(de)物品交易(yi)量,歡(huan)迎(ying)詞了解。
AMPLIFIER – MPA| Reference | RF Bandwidth (GHz) | Gain | IP3 | P-1dB OUT | Sat. Output Power | Bias | Bias | Case | |||||||||||
| min | max | ||||||||||||||||||
| CHA3023-99F | 1 | 18 | 14 | - | 17 | - | 95 | 5 | Die | ||||||||||