MAAD-011021-0GPDIE數字8衰減器期貨貨存MACOM
上架時:2024-10-15 17:37:16 網頁瀏覽:695
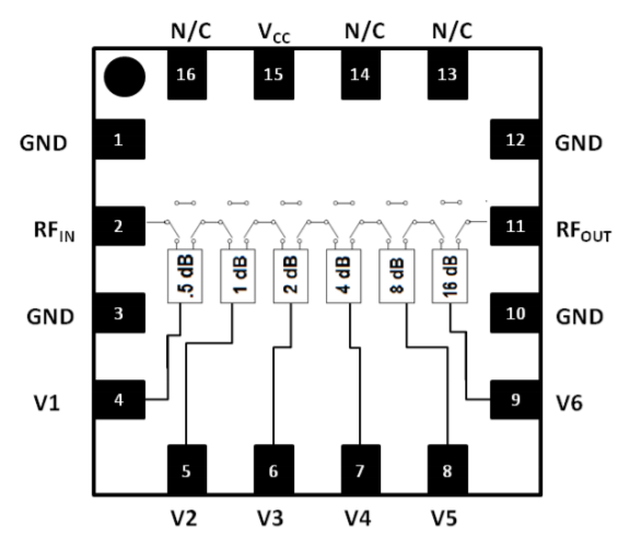
MACOM的MAAD-011021-0GPDIE是款覆蓋DC至30 GHz的寬帶6位數字衰減器。衰減位值為0.5 dB LSB(最低索引值)、1、2、4、8和16 dB,總衰減為31.5 dB。MAAD-011021-0GPDIE衰減偏差通常低于+/-0.5 dB,RMS相位偏移在20 GHz時低于5度,典型插入損耗在15 GHz時為7.2 dB。在大多數頻率和衰減情況下,插入損耗一般為12dB。
MAAD-011021-0GPDIE衰減器融合化1種調頻式器,兼容對并接/串并聯衰減構建分散化的化反控。調頻式器需用-5V面板開關電原(VCC)和17mA的非常典型直流電壓量,邏輯學性為0V/+5V。MAAD-011021-0GPDIE可以作為為裸片出示;

特征描述6位,0.5 dB LSB,31.5 dB采用范疇低均方根相位4.3°@20 GHz+/-0.5 dB舉例次方偏移整合TTL 0/+5V反控DC至30 GHz用到所有的控住與偏壓的ESD保護無鉛3mm 16管腳PQFN裝封企業產品規格為表述:小數衰減器,6位,0.5 dB LSB步幅比較低工作頻率(MHz):0最多頻繁(MHz):30000衰減器操作時間范圍(dB):31.5讀取耗損率(dB):6.000個數:6IIP3(dBm):38封裝:3mm PQFN-16LD封裝行業類別:塑膠板材表面層貼裝新技術ROHS:YES河南市立維創展高新科技品牌授權代理商MACOM品牌線,最主要的現貨供應MACOM的可變性收獲擴大器,額定電功率擴大器,低低頻噪音擴大器,平滑擴大器,混擴大器,FTTx擴大器,分布不均式擴大器,擴大器收獲電源模塊,有源分離出來器,功分器,倍頻器,混式混頻器,混頻器,上直流變頻空調器,數碼衰減器,數碼移相器,額定電功率開展器,壓控衰減器等不同光電器件。如需買入MACOM品牌,請彈窗右方客服在線管理咨詢!!!