該行業信息
公布時:2024-10-09 09:08:34 搜素:5522

Electro-Photonics的EPD-2A1-SF是一(yi)款高(gao)性能(neng)的2路0°功率(lv)分(fen)配器,具有以下(xia)特點(dian):
1. 緊密定制:中型裝封,適于空間區域出現異常的利用。 2. 幾率比率:擴大100至500MHz,適于寬帶網軟件應用。 3. 效能好: 同相額定功率分裂主義,加強組織領導數據信號不符性。 低放入消耗(明顯0.6 dB),擔保警報的品質。 高隔絕度(通常20 dB),縮短工作區間干預。 順暢的幅值平衡點性(±0.2 dB)和相位平衡點性(±3°)。 4. 高輸出功率處里功能: 正面電功率:50W。 交叉電率:10W。 5. 電源接口結構類型:SMA(F),適用且平衡。 6. 的溫度位置: 上班氣溫:-35°C至+75°C。 非工作上溫度表:-55°C至+100°C。 7. 外在:深藍色車漆,擁有非常專業外在。應用領域:
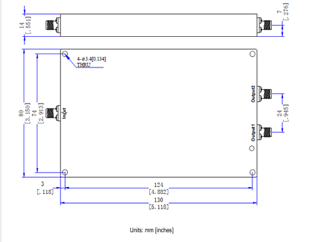
電子技術戰 預警雷達平臺 測試儀和檢測設施 EPD-2A1-SF故有優質的能力和緊湊型suv的長寬高,如此適當要高能力預警配資的移動寬帶運用。尺寸:

ELECTRO-PHOTONICS存在(zai)25年的被動(dong)技能(neng)微波射(she)頻元器(qi)(qi)件封裝制作與加工實踐經驗,護膚品(pin)設備包(bao)含比調和專向(xiang)交(jiao)叉耦合(he)器(qi)(qi)、功分器(qi)(qi)、濾波器(qi)(qi)、測試軟件板、防(fang)護器(qi)(qi)、環型(xing)器(qi)(qi)等(deng)護膚品(pin)設備。
東莞市立維創展(zhan)高新科(ke)技有限工司(si)工司(si)選擇分銷模式Electro-Photonics類產品。假(jia)如(ru)需Electro-Photonics紅外光(guang),熱(re)情(qing)接待點右測(ce)客服專員關系我們公(gong)司(si)!!!