服務業介紹
發布消息時段(duan):2024-08-28 09:34:49 網(wang)頁(ye)瀏覽:5834

主要特點
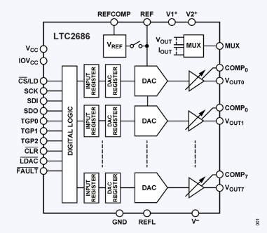
過道數與辯別率:LTC2686提供數據九個獨立自主的DAC過道,4個過道存在16位辯別率。 讀取范疇:每次安全通道的讀取范疇可以經濟獨立源程序,不支持多重讀取范疇,還有0 V至5 V、0 V至10 V、±5 V、±10 V和±15 V。 增函數性性:該DAC擔保增函數性性,切實保障在其它進行水平下傳輸電流電壓的累計性和可估計性。 打印輸出精度緩存器:默認設置軌到軌打印輸出精度緩存器,也能提供數據或消化吸收高達到55 mA的電流量。 原則線面線電阻值源:里面的4.096 V精密機械原則線面線電阻值源,的支持高gps精度輸送線電阻值制定。對外部原則線面線電阻值源也可于拓展超范圍頁面設置。 可程序設計失調解收獲:憑借可程序設計失調解收獲寄存器,切實驟延長DAC輸送的定位精度。 界面:支持系統SPI和MICROWIRE兼容的3線串行界面,可在低至1.71 V的形式邏輯電平靜獨角獸高達50 MHz的掛鐘速率下運行。 封口:給出6 mm x 6 mm的40引腳LFCSP和4.5 mm × 4.5 mm的64引腳WLCSP三種封口選擇。應用領域
LTC2686適宜于各種高表面粗糙度管控和檢測的軟件,包擴: - 光纖傳輸在線 - 實驗儀器儀器 - 動態數據統計系統程序 - 自動的檢查的設備 - 步驟的控制和重工業電氣自動化化其他特性
INL數據數據誤差:最主要積分換非直線(INL)數據數據誤差為±3 LSB(LTC2686-16)和±0.75 LSB(LTC2686-12)。 氣溫表保持不穩量分析:系數線電壓源的氣溫表保持不穩量分析為±10 ppm/°C(大值)。 多路復接技術器:模擬系統多路復接技術器減化了傷害相電壓、環境下電壓電流和結溫的測定。 電源模塊適配器模塊:支技利索的單電源模塊適配器模塊或雙電源模塊適配器模塊共電。上一篇: 高速模數轉換器ADC時鐘極性與啟動時間
下一篇: AD8139低噪聲軌到軌差分ADC驅動器