領域介紹
推送(song)周(zhou)期(qi):2024-08-27 09:19:10 預(yu)覽:6212
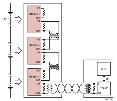
LTC6804是由ADI-LINEAR公司(si)開發(fa)的第三代多節電(dian)(dian)(dian)池(chi)監(jian)控器芯片,專為高精度和高效率的電(dian)(dian)(dian)池(chi)管理(li)系統設計。該芯片能夠(gou)監(jian)測多達12個串聯電(dian)(dian)(dian)池(chi)的電(dian)(dian)(dian)壓,總測量(liang)誤差低于1.2mV,適用于0V至5V的電(dian)(dian)(dian)池(chi)測量(liang)范圍,使其兼容大(da)多數化學組(zu)分的電(dian)(dian)(dian)池(chi)。

LTC6804的主要特點包括:
1. 高速路度測量:擁有12節電池板的線電壓測量能夠在290微秒內完全,一同支技較低的大信息采集工具波特率以提高低頻噪音仰制。 2. 可堆疊網絡架構:很多LTC6804電子器件能夠串接施用,完成對長串高相電壓電池的同一時間網絡監控。 3. isoSPI模塊方式:內設的isoSPI模塊方式可以高速路、抗RF串擾的局域通訊,用到單根雙絕緣線可有百米,具備著低EMI的敏感度和光輻射。 4. 精準度精準檢測的:1.2mV的非常大總精準檢測的精度,及及16位增長疊加(ΔΣ)型ADC,添置平率可程序語言的三階背景噪聲濾波器。 5. 多性能性:屬于壓制電池充電電荷量平衡量、嵌入5V電源穩壓器和5根通用性的I/O線,也可以于工作溫度或一些調節器器插入,并可調試為I2C或SPI主要器。 6. 低功能損耗:在睡覺的質量模式英文下,直流電壓總量減輕至4μA。 7. 二極管封裝:分為48引腳SSOP二極管封裝。型號:
| TUBE | TAPE AND REEL | PART MARKING* | PACKAGE DESCRIPTION | SPECIFIED TEMPERATURE RANGE |
| LTC6804IG-1#PBF | LTC6804IG-1#TRPBF | LTC6804G-1 | 48-Lead Plastic SSOP | -40℃ to 85℃ |
| LTC6804HG-1#PBF | LTC6804HG-1#TRPBF | LTC6804G-1 | 48-Lead Plastic SSOP | -40℃ to 125℃ |
| LTC6804IG-2#PBF | LTC6804IG-2#TRPBF | LTC6804G-2 | 48-Lead Plastic SSOP | -40℃ to 85℃ |
| LTC6804HG-2#PBF | LTC6804HG-2#TRPBF | LTC6804G-2 | 48-Lead Plastic SSOP | -40℃ to 125℃ |
山東市立維創展科技創新是ADI \ Linear 的地區銷售商商商,以地區銷售商商分銷商城貨源外盤ADI \ Linear為貨品的優勢,可能提供次日價格區間服務質量,認可顧問。