產業訊息
發布了精力:2024-08-16 09:15:00 打開網(wang)頁:794
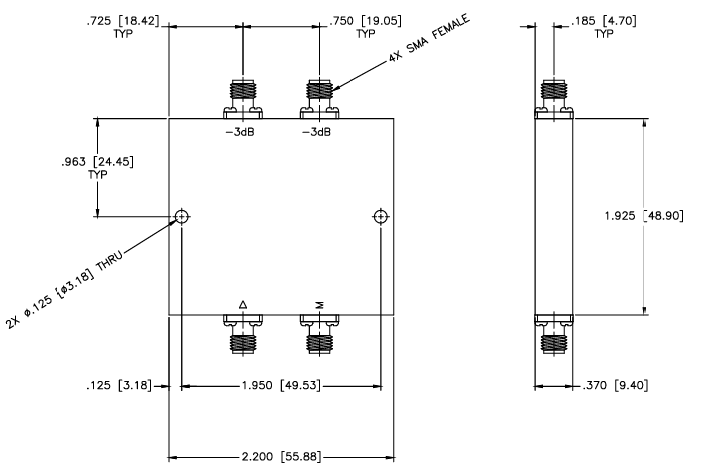
HJ-13混合耦合器是MCLI一款工(gong)作在7.2至8.5 GHz頻率范圍(wei)的(de)設備,具有(you)以(yi)下特點:
- 底部隔離耐腐蝕性為16dB,更好減小訊號滲漏。 - 電壓值駐波之比1.50:1,指出充分的4g信號匹配好。 - 非常大復制到損耗量為0.6dB,無線信號能源盤虧小。 - 相位平衡性在±4度以內,抓實4g信號清理的準確無誤性。 這個解耦器應應用于對信息純真性和動態平衡性標準較高的微波加熱無線通信設備。
珠海市立維創展社會受限工廠,授權證書消售商消售MCLI的產品,邀請加(jia)盟商服務咨(zi)詢。