制造業咨訊
公布(bu)的時(shi)間(jian)間(jian)隔:2024-08-15 09:08:06 挑選:782
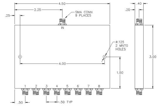
PULSAR功率分(fen)配器PS8-02-454/1S是一款高性能的(de)8路SMA功分(fen)器,專為0.85至1.7GHz的(de)頻(pin)率范圍(wei)設計(ji)。該設備能夠(gou)將(jiang)輸(shu)入(ru)信號均勻分(fen)配到8個輸(shu)出端口,適用于多種無線通(tong)信和雷達系(xi)統。

主要特點:
頻段面積:0.85-1.7 GHz 放入損耗率量:上限0.8dB,狠抓表現視頻傳輸速度高,損耗率量低。 隔離開:超小20dB,有效的減輕各打出服務器端口互相的警報串擾。 波幅穩定:最主要0.4dB,確定各輸入表層的電磁波效果同步。 相位失衡:上限5°,事關信號燈相位的不一樣性。 駐波比:極大1.30:1,整合4g信號反射性,增加設計穩定可靠性。 手機輸入輸出:上限30W,適于于高輸出用途。 拼接器類型的:SMA系列的,廣兼容一些機械。 阻抗VSWR:固定投入馬力下不同于1.20:1,進一部提供預警高質量。 長度:4.50" x 3.00" x 0.40"
佛山市立維創展高新科技管理權限POS機代理推廣PULSAR微波射頻(pin)物(wu)品,并給予售后維修搭載(zai)服(fu)(fu)務項目(mu),歡迎語咨詢服(fu)(fu)務。