AD9176雙出入口16個數模換為器(DAC)
頒布(bu)的時間:2024-06-12 09:21:24 觀看:6938
AD9176是ADI一款高性能(neng)的雙通(tong)道16位數模(mo)轉換器(qi)(DAC),支持高達(da)12.6 GSPS的DAC采樣速率。它采用(yong)了8線(xian)15.4 Gbps
JESD204B數據輸入端口,以及高性能(neng)的片內DAC時鐘倍頻(pin)器(qi)和數字(zi)信號處理功能(neng),非常適合(he)于單頻(pin)段(duan)和多頻(pin)段(duan)直接到射(she)頻(pin)(RF)無線(xian)應(ying)用(yong)。
| Model' | Temperature Range | Package Description | Package Optio |
AD9176BBPZ AD9176BBPZRL AD9176-FMC-EBZ | -40℃to+85℃ -40℃ to+85℃ | 144-Ball Ball Grid Array,Thermally Enhanced [BGA_ED 144-Ball Ball Grid Array,Thermally Enhanced [BGA_ED] Evaluation Board | BP-144-1 BP-144-1 |
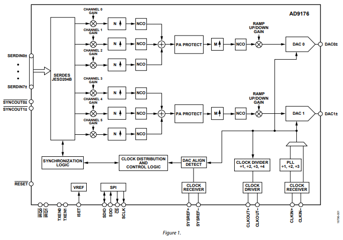
該DAC的的特點包擴4個RF
DAC數劇資料途徑都具有三大多路復接數劇資料輸出車道,4個輸出車道都在以全部旁通。4個數劇資料輸出車道(或無線信道對其進行器)主要包括可設備的收獲級、內插濾波器和用作靈敏多頻段設計的車道車床震蕩器(NCO)。AD9176可以高達hg模型3.08
GSPS的多路復接數劇資料波特率(I/Q),或高達hg模型6.16 GSPS的非多路復接數劇資料波特率(實際上的),并能將倆個多路復接輸出數劇資料流合理安排給選定車道對其進行獨立治療。

AD9176還蘋果支持寬度大的數據分析分析信息數率單位策略,不得破解無線信道選擇器和主大的數據分析分析信息途徑,當做單體16位DAC展示 更是敢達6.16
GSPS的比較大大的數據分析分析信息數率單位,或當做雙路16位DAC展示 更是敢達3.08 GSPS的比較大大的數據分析分析信息數率單位,或當做雙路12位DAC展示 更是敢達4.1 GSPS的比較大大的數據分析分析信息數率單位。 AD9176主要包涵144球BGA_ED封口,適宜于手機無線wifi網絡通信技術條件公用設施、多頻段基站天線手機無線wifi網絡電、微波通信/E頻段反程來設計、實驗儀器電子儀表、半自動測試儀設配(ATE)、預警雷達和要素器等應運。其品牌代表性包涵低功率多緩沖區雙路DAC來設計,大力支技單頻段和多頻段手機無線wifi網絡應運,較大復接統計數據統計時延到達3.08
GSPS(16位辨別率)和到達4.1 GSPS(12位辨別率),已經加寬強度單路DAC方式,大力支技到達6.16 GSPS的統計數據統計時延(16位辨別率)。 性能方面指標個方面,AD9176認可系統多頻段無線wifiapp,任何RF DAC具備著3個可旁路復接參數信息鍵入區域,任何鍵入區域的極大復接鍵入參數信息數率達3.08
GSPS,任何鍵入區域具備著一個自立的NCO,專門用的低雜散和失幀構思,利索的8線、15.4 Gbps
JESD204B音頻接口,認可系統單頻段和多頻段利用 裝修案例,認可系統12位高比熱容模型,多單片機芯片導入,認可系統JESD204B子類1,供選擇擇內插濾波器,1×、2×、3×、4×、6×和8×可設備單參數信息區域插值,1×、2×、4×、6×、8×和12×可設備單之后插值,之后的48位NCO,以DAC數率正常行駛,可認可系統可以達到6
GHz的的頻率鑲嵌,散發使能用途可達到三倍空調省電和上中游三極管庇護,強性能方面、低躁音PLL鐘表倍頻器,認可系統12.6 GSPS
DAC內容更新率,具備著供選擇分頻比的考察ADC鐘表能夠器,各種低功效構思,2.54 W功效,具備著兩個以12 GSPS正常行駛的DAC,DAC
PLL啟用,具備著材料不斷增強防曬隔熱膜蓋的10 mm × 10 mm 144球BGA_ED封口,跨距為0.80 mm。
深圳市立維創展科技是ADI的生產商(shang)商(shang)。ADI心片的軟(ruan)件(jian)(jian)批(pi)發商(shang):變大器(qi)、線形的軟(ruan)件(jian)(jian)、信(xin)息轉型器(qi)、音短視頻的軟(ruan)件(jian)(jian)、移動(dong)寬帶的軟(ruan)件(jian)(jian)、鐘表和時控(kong)IC、電(dian)信(xin)電(dian)信(xin)光纖和電(dian)信(xin)電(dian)信(xin)光纖無線通信(xin)的軟(ruan)件(jian)(jian)、接口類型和間格、MEMS和傳傳感器(qi)、電(dian)源(yuan)線和熱(re)經管、處理(li)器(qi)和DSP、微波射頻和形狀(zhuang)處理(li)器(qi)、按鈕開關和分路器(qi)等(deng)。
大(da)部位食品,均保證現(xian)貨黃金貨存(cun)供(gong)貨期。*部位類型需辦理出口國同意(yi) ,歡迎會咨訊!!!