市場咨訊
發布(bu)了(le)時:2024-06-12 09:07:03 網頁瀏覽:837
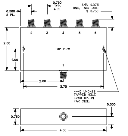
Synergy的DEK-701S是一款高性能的5路功率分配器,專為需要精確功率分配的應用而設計。該設備的關鍵特性包括寬頻帶、低損耗以及緊密控制的相位/幅度不平衡。其頻率范圍覆蓋了從0.05至30MHz,能夠滿足多種(zhong)頻(pin)段的需求。

在插入損耗方面,DEK-701S在不同頻段下的表現有所不同,從0.05至0.5MHz的頻段內,插入損耗的典型值為0.3dB,而在15至30MHz的頻段內,這一數值上升至0.6dB。隔離度方面,設備在不同頻段下也提供了(le)具體的(de)典(dian)型值和(he)最小值,確保了(le)信號的(de)清晰分離。

相位不平衡量最大為4度,幅度不平衡量最大為0.3dB,這些(xie)參數保證了功(gong)(gong)率(lv)分配的(de)穩定性(xing)和精(jing)確度(du)。輸(shu)出阻(zu)抗為(wei)50Ohms,最大輸(shu)入功(gong)(gong)率(lv)為(wei)1瓦特(te),這些(xie)規格使得DEK-701S能夠(gou)適(shi)應(ying)多種功(gong)(gong)率(lv)需(xu)求。操作(zuo)溫度(du)范圍從-40至+85°C,這意味著DEK-701S能夠(gou)在極(ji)端(duan)的(de)溫度(du)條件下穩定工作(zuo),適(shi)合在各(ge)種環境(jing)中(zhong)(zhong)的(de)應(ying)用(yong)。連接(jie)(jie)器類型為(wei)SMA母頭,其中(zhong)(zhong)一個是輸(shu)入端(duan)口(kou),其余四個為(wei)輸(shu)出端(duan)口(kou),方便與各(ge)種設備連接(jie)(jie)。
規格參數:
| SPECIFICATIONS (Rev.B 08/30/06) | |||
| Frequency | 0.05-30 MHz | ||
| Insertion Loss (dB)* | Freq (MHz) | Typ. | Max |
| 0.05-0.5 | 0.5 | 0.9 | |
| 0.5-15 | 0.3 | 0.7 | |
| 15-30 | 0.6 | 1 | |
| lsolation (dB) | |||
| Freq (MHz) | Typ. | Min | |
| 0.05-0.5 | 25 | 20 | |
| 0.5-15 | 30 | 25 | |
| 15-30 | 25 | 20 | |
| Phase Unbalance(Deg.) | 4°(Max.) | ||
| Amplitude Unbalance (dB) | 0.3 (Max.) | ||
| Output Impedance | 50 Ohms (Nom.) | ||
| Input Power | 1 Watt (Max.) | ||
| Operating Temperature Range | 40 to +85°C | ||
| *In excess of the 7 dB theoretical split loss | |||
東莞 市立維創展社會是Synergy的(de)供應商商,主要是帶來了Synergy微波加熱壓(ya)控震(zhen)(zhen)蕩器(qi)(qi)、晶狀(zhuang)體(ti)震(zhen)(zhen)蕩器(qi)(qi)、鎖相(xiang)震(zhen)(zhen)蕩器(qi)(qi)、鎖相(xiang)環頻率分(fen)解成器(qi)(qi)、混頻器(qi)(qi)等品牌,品牌坐落在新西蘭(lan)北方的(de)進行(xing)通路,高(gao)效積極地響應中國有(you)企業(ye)的(de)市場需求。喜愛(ai)網絡咨詢。