行業領域知識
公布的的時間:2024-06-06 08:51:27 觀看(kan):779

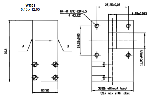
RADI-20-22-WR51-5WR波導隔離器是RADITEK一(yi)款高(gao)精度的(de)射頻設備,屬于(yu)WR51波導(dao)系列,有(you)15-17 GHz、17.5-20.5 GHz、17.7-22.2 GHz等(deng)多個頻率范(fan)圍。該(gai)隔離器具有(you)低(di)插(cha)入損(sun)耗(hao)(最(zui)大0.3 dB至(zhi)(zhi)(zhi)0.4 dB)、高(gao)隔離度(最(zui)小(xiao)18 dB至(zhi)(zhi)(zhi)20 dB)和良好的(de)電壓駐波比(最(zui)大1.25至(zhi)(zhi)(zhi)1.30),確保了(le)高(gao)效的(de)信號傳(chuan)輸和隔離性能(neng)。它能(neng)處(chu)理(li)(li)最(zui)大10W的(de)正(zheng)向(xiang)功(gong)率和承受0.5W的(de)反向(xiang)功(gong)率。物理(li)(li)規格包(bao)括詳細的(de)尺寸信息和鋁材質,表面經過化學膜處(chu)理(li)(li),增(zeng)強了(le)耐腐蝕性和耐用性。該(gai)設備能(neng)在-40°C至(zhi)(zhi)(zhi)+85°C的(de)溫(wen)度范(fan)圍內工作。
| Frequency | 15-17 | 17.5-20.5 | 17.7-22.2 | 20-22 | 20.2-21.2 | 20.2-21.2 | GHz |
| Insertion loss | 0.3 | 0.4/0.3 | 0.3 | 0.4 | 0.30 | 0.30 | dB max |
| lsolation | 20 | 20/18 | 18 | 18 | 20 | 20 | dB min |
| VSWR | 1.25 | 1.25/1.30 | 1.30 | 1.25 | 1.25 | 1.25 | :1 max |
| Waveguide | WR-51 | WR-51 | WR-51 | WR-51 | WR-51 | WR-51 | |
| Flange | UBR-140 | UBR-140 | UBR-140 | UBR-140 | UBR-140 | UBR-140 | |
| Materia | Aluminum | Aluminum | Aluminum | Aluminum | Aluminum | Aluminum | |
| Finish | Chemical Film | Chemical Film | Chemical Film | Chemical Film | Chemical Film | Chemical Film | |
| Power Forward | 1 | 2 | 1 | 10 | 1 | 1 | Watts |
| Power Load | 1 | 0.5 | 1 | 5 | 0.5 | 1 | Watts |
| Operating Temp | 40 to +85 | -30 to +70/ +15 to +35 | -30to +70 | 30 to +70 | 30 to +65 | 30 to +65 | ℃ |
佛山市立維創展科學授權書代辦RADITEK微波加熱分隔器(qi)和方形(xing)器(qi)品(pin)牌(pai),這部分車輛(liang)型(xing)號具(ju)有(you)外盤(pan)。品(pin)牌(pai)原廠進(jin)口,質量(liang)絕對,追捧詢問(wen)。