17500-4015S SSBP多同軸Micro-D電纜電線電源線長絕緣層子SOUTHWEST
推送時(shi)期:2024-06-04 08:56:02 瀏覽器(qi):895
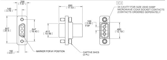
型號17500-4015S SSBP多同軸Micro-D電纜插頭長絕緣子是由SOUTHWEST華東微波通信制造的(de)一款高(gao)(gao)性能連接(jie)(jie)器組件(jian)。該插頭專為Micro-D連接(jie)(jie)器系統(tong)設(she)計,適用于高(gao)(gao)密度、多通道的(de)應用場景,尤(you)其是在對頻率、帶寬和(he)信號損耗有嚴格(ge)要求的(de)通信環境中表現出色。

建材和接觸面整理層面,該插口的設備殼都明確鋁板屬6061建材,并都明確ASTM B221標淮開始精加工,接觸面路經無電解法鎳電鍍鋅整理,具備ASTM
B733-90標淮,以增強學習耐化學性性和結實性。電隔熱子都明確ULTEM 1000建材,具備ASTM
D5205標淮,具備著市場大的的電器設備電隔熱穩定性和耐溫度穩定性。凍結夾都明確BeCu耐熱合金屬(UNS-C17200),都明確ASTM
B194標淮打造,保障插口與插座就多留幾個的維持連接方式。填色單質為不飽和樹脂材質樹脂材質,于自我保護內層結構設計和增強學習整體風格穩定性。按照電腦硬件都明確不銹鋼裝飾管嗎建材,具備SAE-AMS-QQ-S-763標淮,接觸面開始鈍化整理,具備ASTM
A967標淮,以增強學習抗腐蝕性穩定性力。 該插銷的優缺點還有四個同軸插孔,專為SSBP(Shielded Single Bayonet
Plug)方案,幾乎所有SSBP和預警大電流繼電器都要可放進去和可移除的,于維系和更新,應用標淮M81969/39-01放進去/去除道具就行了運營。電家用插座大電流繼電器與MIL-C-39029/64標淮的預警電家用插座大電流繼電器兼容,有效確保了正常的對換性和兼容模式。長度和想法機構各不相同為5英寸和度數,括號內的長度以分米為機構,方便快捷粉絲基于各不相同實際需求進行挑選和按照。

西安市立維創展技術獲得SOUTHWEST西(xi)南方(fang)微(wei)波通信大(da)組(zu)成部分規格型號出(chu)具(ju)期(qi)貨新產品(pin),并督(du)促出(chu)具(ju)技術水平(ping)支技與售后維(wei)修點業務(wu)。
具體詳情明白SOUTHWEST中南微波射頻請超鏈接://anchor-appliance.cn/brand/7.html