業內房產資訊
上線準確時間(jian):2024-05-29 08:47:00 瀏覽網頁:803

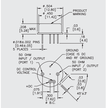
AGC1025是一款高性能薄膜壓控放大器,采用標準尺寸TO-8封裝。其主要特點包括:
- 高增益值:21.5 dB - 一鍵增加收益把控(AGC)使用的范圍:0至5伏,相對增加收益把控使用的范圍為+25.0 dB - 操作速率的范圍:5至1100 MHz,有保障值一般選擇10至1000 MHz - 收獲平整度:±0.5 dB至±1.0 dB - AGC區域:25 dB至20 dB - 噪音分貝比率:5.2 dB至6.5 dB - 駐波比(SWR):需小于2.0:1 - 輸出功效(@1 dB增益值壓解):+9.0 dBm至+7.0 dBm - 卡死時:不低于10 μsec - 大直流電交流電量:50 mA至60 mA(工作任務交流電量),0至10 mA(偏置交流電量) 互特的性能角度,AGC1025具備好的二階和三階屏蔽廣告點。絕對化最明顯固定值比如吸收環境高溫、電機外殼環境高溫、交流電電壓電流值、頻射輸人電率等。封裝短信為規范長寬比TO-8。適用時要小心,該變大器應在50歐姆系統性下操作,并在+15 Vdc供電設備電壓電流值才能達標以上的的性能。這種短信不利于光電建筑機械工程師在開發和利用中科學合理適用AGC1025。成都 市立維創展科學是Teledyne防務光學的總經銷商商,給出Teledyne防務電子廠護膚品主要包括LDMOS、GaN、GaAs和InP。Teledyne防務自動化品牌線適用寬頻帶寬度、窄帶、單脈沖變成器,規律1MHz~220GHz,電機功率mW~10kW,優劣勢校園推廣渠道展示Teledyne防務光電子購貨,歡迎詞咨詢了解。。