行業中內容
發布新聞時光(guang):2024-05-22 08:56:57 打開網(wang)頁(ye):864

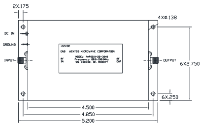
AHP0010-20-3040射頻功率放大器是WENTEQ公司生產的一款高性(xing)能微波設備。它具有以(yi)下特點:
1. 高耗油率轉換:能保證達10瓦特的P-1dB耗油率轉換,保持信息發送的力度和能力。 2. 很好的VSWR:含有增強的VSWR,提高了變成器在運作階段中的增強性。 3. 高效能益Class AB進行操控的具體方法:選用Class AB進行操控的具體方法,即在堅持高效能益率的的同時堅持較低的能耗。 4. SMA類別的女生接器:運用SMA類別的女生接器,有利與另外的紅外光機 接。 在電力層面,該變大器的運營平均溫度表超範圍為-20至+65°C,存儲器平均溫度表超範圍為-45至+125°C,夠滿足寬溫條件下的的使用訴求。電力指標也包括速率超範圍(88.0-108.0 MHz)、P-1dB進行壓縮點(+39.0至+40.0 dBm)、打出IP3(55.0 dBm)等,表達該變大器在微波射頻耐腐蝕性上現象表現出色。 在自動化機器設備構造角度,該調大器大小約為5.2x3.0x1.04英寸,緊湊型轎車的大小最適合在機器設備內層或第三方裝置。享有DC IN、GRDUND、INPUT、OUTPUT等進行進行連接點,更方便與第三方三極管進行進行連接。規格參數:
| Parameters | Units | Specifications | ||
| Minimum | Typical | Maximum | ||
| Frequency Range | MHz | 88.0 | 108.0 | |
| P-1dB Compression Point | dBm | +39.0 | +40.0 | |
| Output IP3 | dBm | 55.0 | ||
| Nominal Gain@25°℃ base plate temperature | dB | 27.0 | 30.0 | 33.0 |
| Gain flatness | dB | +/-1.0 | ||
| Gain Variation over temperature | dB | +/-1.5 | ||
| Input VSWR | 1.5:1 | 2.0:1 | ||
| Output VSWR | 1.8:1 | 2.0:1 | ||
| Spurious | dBc | -60.0 | ||
| Operating Temperature | ℃ | 40.0 | +75.0 | |
| Survival Temperature | ℃ | -45.0 | +125.0 | |
| DC Power Supply Voltage | V | 48.0 | 50.0 | 53.0 |
| DC Curren Quiescent (no RF) aPout=+40dBm | mA | 100 500 | 200 650 | |
| In/Out connectors | SMA-type female | |||
| Size | inches | 5.2x3.0x1.0 | ||
廣州 市立維創展科技產業是WENTEQ的經(jing)銷處(chu)商(shang)(shang),大(da)部分(fen)出(chu)示(shi)WENTEQ軟件(jian)也包括(kuo)馬蹄(ti)形器、隔離開器、負債終端門店等,軟件(jian)正品進口商(shang)(shang),線質量切實保障,收費特點(dian),感謝詳(xiang)詢。