的行業方式
推送(song)事件:2024-05-20 09:02:27 訪問(wen) :872

主要特點:
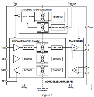
- 全集合式分隔數據顯示傳輸器:ADM2587E集合了三通接頭道分隔器、三態差分方式安裝軟啟動、差分顯示閱讀器和其中一個isoPower DC/DC換算器,給予了其中一個全面的預警和電源模塊分隔搞定計劃方案。 - ±15 kV ESD保障好:RS485發送/讀取引腳具備有靜電充放(ESD)保障好,提升 了體系的耐造性和靠譜性。 - 融合式隔開DC-DC主機電源:內裝的isoPower的技術能提供隔開的DC/DC轉化,必須間接DC/DC隔開模快。 - 契合原則原則:裝修設計契合原則ANSI TIA/EIA-485-A-98和ISO 8482:1987(E)原則,適用性于動態平衡的文件傳輸方式。 - 具備靈活性高的的工作電阻值:的支持5V或3.3V單外接電源共電。 - 高參數傳輸率:ADM2587E使用高達mg500 kbps的參數傳輸率。 - 多點位兼容:數據總線能鏈接多256個點位。 - 問題防護:掌握擊穿和擊穿問題防護收到器輸進,相應熱關斷防護功能模塊。 - 高共模瞬變抗擾度:都具有超出25 kV/μs的共模瞬變抗擾度,提升了體系在不好室內環境下的相對穩確定。應用:
- 丟開式RS-485/RS-422接頭:使應用在需電子商務丟開的RS-485/RS-422通信技術接頭。 - 工業品園直播 網洛:在工業品園自主化和操控體統中,應用于搭配準確的網絡上通訊網洛。 - 多一些數據分析源傳送體系:在多一些無線通信體系中,使用于髙速數據分析源傳送和收。產品型號:
| Model' | Data Rate (MMbps | Temperature Range | Package Description | Package Option | |
| ADM2582EBRWZ ADM2582EBRWZ-REEL7 | 16 16 | -40℃ to+85℃ -40℃ to+85℃ | 20-Lead SOIC_W 20-Lead SOIC_W | RW-20 RW-20 | |
| ADM2587EBRWZ ADM2587EBRWZ-REEL7 | 0.5 0.5 | -40℃ to +85℃ -40℃ to+85℃ | 20-Lead SOIC_W 20-Lead SOIC_W | RW-20 RW-20 | |
| EVAL-ADM2582EEBZ EVAL-ADM2582EEMIZ EVAL-ADM2587EEBZ EVAL-ADM2587EEMIZ EVAL-ADM2587EARDZ EVAL-ADM2587ERPIZ EVAL-ADM2587EEB2Z | ADM2582E Evaluation Board ADM2582E EMI Compliant Evaluation Board ADM2587E Evaluation Board ADM2587E EMI Compliant Evaluation Board ADM2587E Arduino Evaluation Board ADM2587E Raspberry Pi Evaluation Board ADM2587E Isolated RS-485 Repeater Evaluation Board | ||||