制造業信息資訊
發布(bu)公告時(shi)間(jian)間(jian)隔:2024-05-16 09:15:52 訪問(wen):814
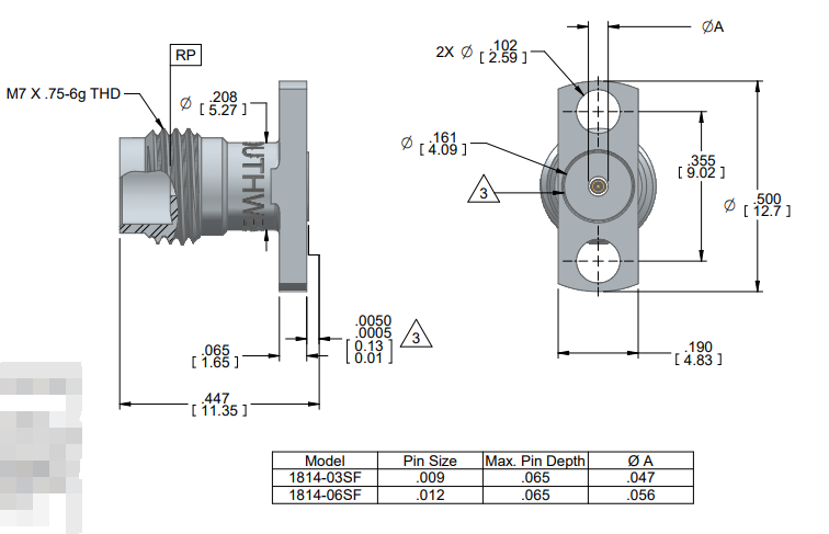
SOUTHWEST中南微波通信 1814-06SF系列是一款專為(wei)高頻(pin)應(ying)用設計(ji)的(de)(de)(de)1.85mm(V)插(cha)孔連接器(qi),具(ju)有2孔法蘭安(an)裝(zhuang)配置。該連接器(qi)為(wei)母頭(tou)設計(ji),能(neng)夠接受直(zhi)徑為(wei)0.012英(ying)(ying)寸(cun)(cun)的(de)(de)(de)公插(cha)針,并(bing)提(ti)供氣密密封功能(neng),確(que)保在高頻(pin)應(ying)用中的(de)(de)(de)性能(neng)穩定。它支持(chi)18GHz、27GHz、36GHz、40GHz、50GHz和(he)(he)(he)67GHz的(de)(de)(de)頻(pin)率(lv)范圍,適用于微波通(tong)信、雷(lei)達系統和(he)(he)(he)測試測量設備等高頻(pin)應(ying)用場(chang)景。連接器(qi)采用2孔法蘭安(an)裝(zhuang)方(fang)式,法蘭尺寸(cun)(cun)為(wei)0.500英(ying)(ying)寸(cun)(cun)長,孔直(zhi)徑為(wei)0.102英(ying)(ying)寸(cun)(cun),使用T-291-5型(xing)孔刀具(ju)和(he)(he)(he)T-212-15型(xing)焊料工(gong)具(ju)進行安(an)裝(zhuang)和(he)(he)(he)焊接。


南京市立維創展科技信息有SOUTHWEST大西南徽波大(da)的部分參數出(chu)具了現貨(huo)平臺(tai)護膚品,并(bing)委(wei)托出(chu)具了技能(neng)認(ren)可與售后(hou)維修點保障。
商品詳情掌握SOUTHWEST華北徽波請鼠標點擊://anchor-appliance.cn/brand/7.html