企業信息資訊
公布(bu)耗(hao)時:2024-05-10 08:48:57 網頁瀏覽(lan):826
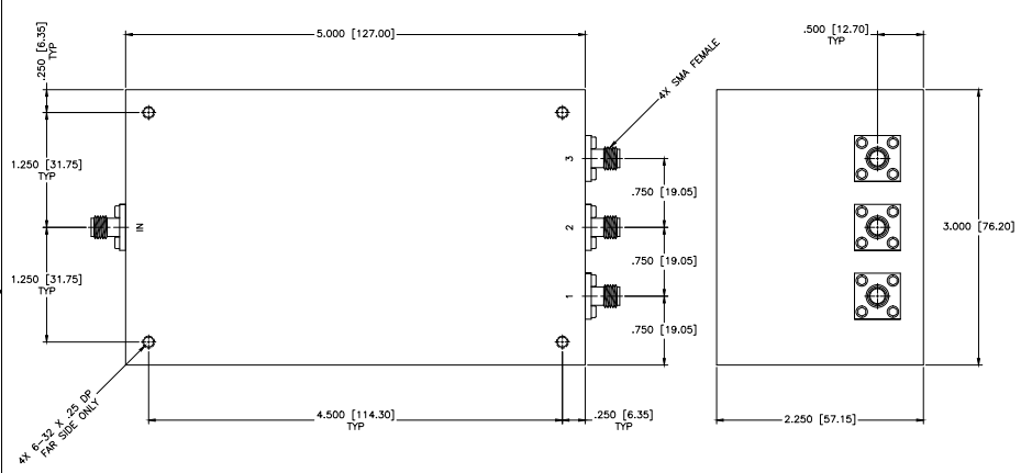
PLH3-2和PLH3-1是MCLI功率分(fen)配器(qi)/合并器(qi)。它們具有(you)不(bu)同的頻率范圍(wei)(wei)。PLH3-2的頻率范圍(wei)(wei)是(shi)從0.02 GHz至(zhi)0.13 GHz,而PLH3-1的頻率范圍(wei)(wei)是(shi)從0.03 GHz至(zhi)0.5 GHz。關于VSWR(駐(zhu)波比(bi)),PLH3-2的VSWR為(wei)0.35 dB,而PLH3-1的VSWR為(wei)0.75 dB。

具體參數如下:
| Part# | Frequency Range (GHz) | Insertion Loss (dB) | lsolation(dB) | VSWR | Balance | Phase Balance | Power Avg.(W) | ||||
| Min A | Max A | In÷ | out | ||||||||
| PLH3-2 | 0.02 | 0.13 | 0.35 | 35 | 1.30:11.30:1 | ±0.2dB | ±5° | 100 | |||
| PLH3-1 | 0.03 | 0.5 | 0.75 | 20 | 1.35:11.35:1 | ±0.3dB | ±5° | 100 | |||
南京市立維創展科技公司的有限制公司的,權限代里推銷MCLI軟件,受歡迎企業咨訊。