BXMP1012低嗓聲rf射頻拖動器API Tech
上架時候(hou):2024-05-08 08:52:00 訪(fang)問(wen) :704

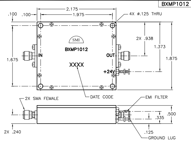
BXMP1012低嘈音拖動器不是款專為需求低嘈音、高規則化度和高傷害電率的選用而設計的的拖動器。它具備著下類主耍基本特征和資源優勢: 1. 工作噪音小源比率:經典數值3.7 dB,非常大數值4.0 dB,適合于特殊要求高信噪比的用場所。 2. 高二階斷開點:典范值>+49 dBm,確認在對戰高降幅輸入走勢時也不會會產生很深的非曲線偏色。 3. 高三階和二階雙音截取點:各是為+95 dBm(主要值)和+93 dBm(主要值),會治理 大漲幅度的鍵入衛星信號而沒有影晌。 4. 高馬力1 dB減少點:主要值一般選擇+32 dBm,輸入馬力大,在高負債條件下仍能做到較低偏色。 5. 作業操作室內室內溫度規模廣泛應用:適宜于-55℃至+100℃的作業情況操作室內室內溫度,-62 ℃至 +125 ℃的保存操作室內室內溫度要。 6. 頻點范圍之內廣泛性:0.5 - 35 MHz,可擁有多種頻點下的應運實際需求。 7. 手機輸入/讀取工作電壓及增加收益要求清楚:具比較清楚的工作電壓、增加收益和壓縮成點要求,便捷用戶賬戶在設定和應該用時做好精準的產品定位。 8. VSWR低:鍵盤輸入和讀取電壓降駐波比均少于1.5:1,做到手機信號傳導質量。 9. 適于教育教育領域廣:手機微波通信技術、統計、測試測試裝置等教育教育領域,適于于所需除理忽閃數據信息燈并做到數據信息燈完美性和效果的動畫場景。
| CHARACTERISTIC | TYPICAL Ta=25 ℃ | MIN/MAX Ta =0℃ to+50℃ |
| Frequency | 0.5 -35 MHz | 05-35 MHz |
| Gain(dB) | 22 | 21.5 Min./ 22.5 Max |
| Gain Flatness (dB) | 0.5 | 0.5 Min. |
Power @ 1 dB Comp.(dBm) | +32 | +31 Min |
| P2(dBm)5-35 MHz | 93 | 90 Min |
| IP3(dBm | 49 | 47 Min. |
Reverse lsolation (dB) | 27 | 26 Min. |
| VSWR | In Out | <1.5:1 <1.5:1 | 1.5:1 Max 1.5:1 Max |
| Noise figure (dB) | 3.7 | 4.0 Max |
Powe Vdc mA | +24 425 | +24 450 Max |