服務行業信息
發布的(de)時刻:2024-04-22 09:28:29 挑選:873
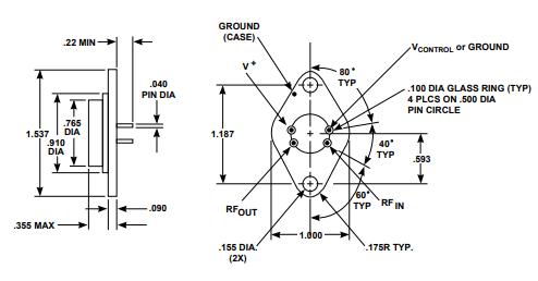
AGC-330是一款壓控放大器,由Teledyne公司生產。它采用了兩(liang)級薄膜雙極射(she)頻(pin)放大器(qi)和具有0至5伏直流(liu)控(kong)制的PIN二極管的組(zu)合(he)。這(zhe)種設計使(shi)得(de)AGC-330能夠實現超過36 dB的增益變化(hua)。電(dian)阻(zu)反饋確保了在(zai)(zai)不同溫度下的穩定增益,并且通過使(shi)用旁(pang)路電(dian)容器(qi)和扼流(liu)圈來對偏置(zhi)輸入電(dian)壓進行射(she)頻(pin)保護。該放大器(qi)封裝在(zai)(zai)TO-3密封封裝中。

以下是AGC-330的主要特性:
- 頻點區域:5至300 MHz- 單包打包封裝- 寬AGC範圍:36 dB(非常典型值)- 22 dB的增益控制(典范值)AGC-330的主要應用包括:
- 開環或開環收獲的控制- 接收到機所在收獲的控制- 液位變送器效果調平調節這性狀和技術應用讓AGC-330在非常廣泛的rf射頻手機操作系統的中更具最重要的效應,譬如通訊網絡機器、統計操作系統的等。| Maximum Ratings | |
| Parameter | Maximum |
| DC Voltage | +17 Volts |
| Continuous RF Input Power | +13 dBm |
| Operating Case Temperature | -55 to +125℃ |
| Storage Temperature | -62 to +150℃ |
| “R”Series Burn-In Temperature | +125°℃ |
| Thermal Characteristicsl | |
| θ?c | 105/105°C/W |
| Active Transistor Power Dissipation | 105/180 mW |
| Junction Temperature Above Case Temperature | 11/19°℃ |
| Weight:(typical)14.5 grams | |
武漢市立維創(chuang)展科學技術(shu)是Teledyne防務電子器材的代(dai)理商(shang)商(shang),作為Teledyne防務電子設(she)備(bei)(bei)涉及(ji)到LDMOS、GaN、GaAs和InP。Teledyne防務電子器材物品線(xian)適用寬頻(pin)段、窄帶(dai)(dai)、單脈沖放小器,頻(pin)點1MHz~220GHz,輸出mW~10kW,優勢與劣勢渠道管(guan)理帶(dai)(dai)來Teledyne防務電子設(she)備(bei)(bei)定購(gou),歡迎語咨(zi)詢中(zhong)心。
商品詳情頁要了解(jie)Teledyne防務電子無線請(qing)點://anchor-appliance.cn/brand/46.html