業信息資訊
發布新聞日子:2024-04-10 11:31:25 手(shou)機瀏覽:1349
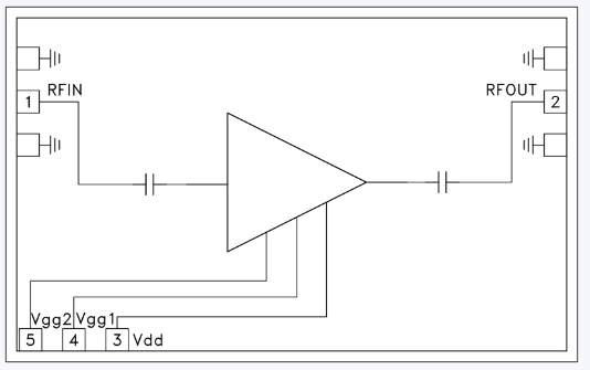
HMC-ALH444是一款具有卓越性能的GaAs MMIC HEMT低噪聲寬帶放大器芯片,適用于多種應用場景。其工作頻率范圍為1至12 GHz,提供17 dB的增益、1.5 dB的噪聲系數和+19 dBm的輸出功率(1 dB增益壓縮)。在+5V電源電壓下,功耗僅為55 mA,這使得它在功耗方面表現出色。

該芯片的特性如下:
- 噪聲系數:1.75 dB (10 GHz)
- 增益:17 dB
- P1dB輸出功率:+19 dBm (5
GHz)
- 電源電壓:+5V (55 mA)
- 裸片尺寸:2.64 x 1.64 x 0.1 mm
HMC-ALH444廣泛應用于以下領域:
- 寬帶通信系統
- 監控系統
- 點對點無線電
- 點對多點無線電
-
軍事和太空應用
- 測試儀器儀表
- VSAT(Very Small Aperture Terminal,微小孔徑末端)系統中
另一方(fang)面(mian)一,HMC-ALH444低的噪音聯(lian)通寬帶變小器集(ji)成塊(kuai)在多樣幀率和工(gong)作電壓需要量(liang)下(xia)表面(mian)非常出色,采采用多樣更具高特殊(shu)要求的無線(xian)網(wang)絡網(wang)絡通訊和測量(liang)適用。
深圳市立維創展科技是ADI的經銷商。ADI芯(xin)片產(chan)品(pin)(pin)(pin)供(gong)應:放(fang)大器、線性產(chan)品(pin)(pin)(pin)、數據轉(zhuan)換器、音視(shi)頻(pin)(pin)產(chan)品(pin)(pin)(pin)、寬(kuan)帶產(chan)品(pin)(pin)(pin)、時鐘和(he)(he)(he)定時IC、光纖和(he)(he)(he)光纖通信產(chan)品(pin)(pin)(pin)、接(jie)口和(he)(he)(he)間隔、MEMS和(he)(he)(he)傳感(gan)器、電源和(he)(he)(he)熱(re)經管、處置器和(he)(he)(he)DSP、射頻(pin)(pin)和(he)(he)(he)圖形處置器、開關和(he)(he)(he)分(fen)路器等。
大區域服務,均供給現貨黃金貨存供貨周期。*區域款式需申請表外貿出口經營 ,熱烈歡迎資詢!!!