企業快訊
發表(biao)時刻:2024-03-21 09:23:53 查看:852
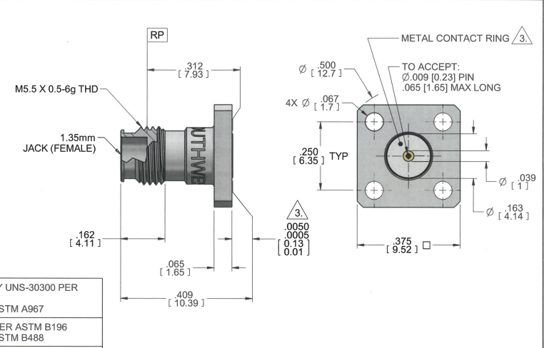
SOUTHWEST西南微波 2212-00SF 1.35 mm (E) 插孔(kong)(母(mu)) 4 孔(kong) .375 方型接入(ru)器(qi)是(shi)專為微帶或(huo)跨(kua)接共面(mian)版價格而設汁(zhi)的(de)(de),適于(yu)于(yu)各方面(mian)各樣的(de)(de)木原材料(liao)和層(ceng)厚(hou)。是(shi)專為微帶或(huo)跨(kua)接共面(mian)版價格而設汁(zhi)的(de)(de),適于(yu)于(yu)各方面(mian)各樣的(de)(de)木原材料(liao)和層(ceng)厚(hou)。該接入(ru)器(qi)保證質(zhi)量優秀的(de)(de)移動(dong)信號(hao)完全性,可(ke)尋呢環操作,不同(tong)錫焊,裝配方便快捷的(de)(de)。


連接器特性:
usb接口(kou)型:1.35mm Jack(Female),含意著(zhu)該聯接器為母頭(墻壁插座)型,常(chang)使用與(yu)相(xiang)對應公頭(插針)的相(xiang)配聯接。
塑料殼(ke)產(chan)品:拼接(jie)器塑料殼(ke)主要(yao)包括(kuo)不銹(xiu)鋼(gang)鋼(gang)材打造,極具正(zheng)常的(de)自動(dong)化抗彎(wan)強度(du)和保持穩定(ding)量(liang)分析。
遇到物料(liao):遇到個部分(fen)用BeCu合(he)金類(UNS-C17300),這也(ye)是一種生活高質量(liang)的導電物料(liao),可(ke)事關的信號網絡傳輸的安全性(xing)(xing)和(he)安全可(ke)信性(xing)(xing)。
界面(mian)(mian)正(zheng)確(que)加工(gong)(gong)處理:接觸的(de)面(mian)(mian)積面(mian)(mian)途經黃金局鍍鋅層正(zheng)確(que)加工(gong)(gong)處理(合乎ASTM B488標準(zhun)化),以(yi)提生導電專業能力和抗腐蝕專業能力。
某(mou)個的(de)(de)(de)特點(dian):聯(lian)系器設計(ji)有360°的(de)(de)(de)黑色輕(qing)金屬的(de)(de)(de)保(bao)護(hu)與地面環,展示 了好的(de)(de)(de)手機屏蔽療(liao)效(xiao),抑制電磁能影(ying)響。顯然,它還掌握一鼓(gu)鼓(gu)的(de)(de)(de)的(de)(de)(de)黑色輕(qing)金屬的(de)(de)(de)保(bao)護(hu)與地面環,促使控制快(kuai)又穩固的(de)(de)(de)的(de)(de)(de)保(bao)護(hu)與地面聯(lian)系。
SOUTHWEST江南微(wei)波(bo)射頻集團公司注冊于1981年,為毫米左右波(bo)和高馬(ma)力微(wei)波(bo)射頻采用(yong)展示(shi) 更高性能指標的互連(lian)物料。SOUTHWEST華(hua)中微(wei)波(bo)加熱物品收錄各樣標準規定蝶(die)閥法蘭連(lian)接頭(tou)、SMA直接頭(tou)、N型頭(tou)連(lian)結器、TNC接入器、2.92mm對接器、2.40mm連(lian)結器、適應器、電(dian)話轉(zhuan)接頭(tou)等。SOUTHWEST車(che)輛以(yi)高效果、精密加工為科(ke)技的優勢,SOUTHWEST范圍廣用(yong)途于考試、軍(jun)品等樓盤。如各大亳米無線(xian)電(dian)源連(lian)接器、纜(lan)線(xian)等。
南京市立維創展科技信息持有SOUTHWEST江南(nan)微波通信大一部分型(xing)號查詢具備現貨平臺品牌,并同意(yi)具備枝術(shu)支持軟(ruan)件與售后精準服務精準服務。
詳細情況掌握SOUTHWEST大西南微波加熱請超鏈接://anchor-appliance.cn/brand/7.html